Всё об автозвуке

Вернуться   Всё об автозвуке > Новичкам > Библиотека > Избранное - практика
Регистрация Новые сообщения Правила форума Справка Сообщество Календарь Поиск

Важная информация

Избранное - практика Практическая информация для рукодельников

Ответ
 
Опции темы Опции просмотра
Старый 14.04.2010, 10:40   #1
SOVA
Старейшина
 
Аватар для SOVA
 
Регистрация: 21.09.2007
Адрес: Киев
Возраст: 57
Сообщений: 1,446
Вы сказали Спасибо: 128
Поблагодарили 422 раз(а) в 191 сообщениях
Репутация: 628
По умолчанию Развязка для ремоута

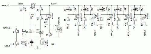
Вот понадобилась схема развязки провода Remote в автомобиль, которая позволяет подключить несколько усилителей, маломощную индикацию или подсветку, небольшие вентиляторы. И чтобы этот блок следил за напряжением аккумулятора, на давая разрядиться, да ещё и можно было выключать всё по отдельности.
Придумал схему:
Нажмите на изображение для увеличения
Название: Пример7.GIF
Просмотров: 3379
Размер:	16.4 Кб
ID:	1612
Параметры следующие:
Напряжение включения - 12,3 В
Напряжение выключения - 11,5 В (регулируется подстроечником)
Входное сопротивление провода Remote - 3,3 кОм
Количество выходов - 5
Ток нагрузки по каждому из выходов - 0,2 А
Задержка включения - 10 сек.

Схема подключается тремя проводами:
- Масса (GND)
- Аккумулятор (BATT)
- вход Remote (на схеме REMIN)

Между общим выходом ONCMN и входами ON1...ON5 ставим выключатели потребителей.

Выходы REM1...REM5 подключаются к нагрузкам
Позже подключил светодиод индикации (на схеме не показан) между плюсом и выходом ONCMN.
Плата собрана в корпусе размерами 55*65*15мм

P.S. Обсуждение и вопросы по схеме - здесь

Последний раз редактировалось Cobox; 14.04.2010 в 11:17.
SOVA вне форума   Ответить с цитированием Вверх
Ответ


Здесь присутствуют: 1 (пользователей: 0 , гостей: 1)
 

Ваши права в разделе
Вы не можете создавать новые темы
Вы не можете отвечать в темах
Вы не можете прикреплять вложения
Вы не можете редактировать свои сообщения

BB коды Вкл.
Смайлы Вкл.
[IMG] код Вкл.
HTML код Выкл.

Быстрый переход

Похожие темы
Тема Автор Раздел Ответов Последнее сообщение
отключение ремоута муравей Бюджетный автозвук и песочница. 21 18.10.2012 19:31
Прокладка ремоута. Lom4ik Бюджетный автозвук и песочница. 12 22.08.2012 22:29
Развязка для ремоута SOVA Практика по SQ 8 15.05.2012 08:03
Усилитель без ремоута??? как так? b_andriy Бюджетный автозвук и песочница. 5 18.09.2011 22:19


Текущее время: 02:22. Часовой пояс GMT +2.


Перевод: zCarot
autozvuk.org ©