Всё об автозвуке

Вернуться   Всё об автозвуке > Новичкам > Бюджетный автозвук и песочница.
Регистрация Новые сообщения Правила форума Справка Сообщество Календарь Поиск

Важная информация

Бюджетный автозвук и песочница. Раздел для новичков и тех, кто хочет пострроить простенькую аудиосистему с минимальными затратами.

Ответ
 
Опции темы Опции просмотра
Старый 12.11.2014, 21:36   #21
Директор Луны
Ушел в мир иной от нас...
 
Аватар для Директор Луны
 
Регистрация: 06.04.2008
Адрес: EMMA Ukraine
Возраст: 60
Сообщений: 9,976
Вы сказали Спасибо: 43
Поблагодарили 423 раз(а) в 130 сообщениях
Репутация: 1086
По умолчанию Re: Откуда берётся минус?

Цитата:
Сообщение от Lestatid Посмотреть сообщение
У меня ремоут из ИВЫ идёт на проц к проводку "Ремоут ИН"
Ошибка!
Уж на что я не спец по Альпам и то ...
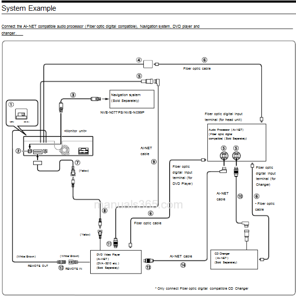
http://www.manuals365.com/swf/alpine...n.html?page=73
При подключении ИВЫ к процу ремоут с ИВЫ не нужен.
Ремоут на проц включается по АЙНЕТУ.
С проца потом бери уже ремоут на усилки.
На "жопке" ИВЫ есть переключатель. NORMAL - EQ/DIV
При работе ИВЫ с процем этот переключатель надо поставить в положение EQ/DIV
И вся твоя головная боль пропадёт.
пс. А то ....... линейки, масса ....
ппс. Пожалуйста
Миниатюры
Нажмите на изображение для увеличения
Название: Снимок 777.PNG
Просмотров: 842
Размер:	42.5 Кб
ID:	46073  
Изображения
 

Последний раз редактировалось Директор Луны; 12.11.2014 в 21:46.
Директор Луны вне форума   Ответить с цитированием Вверх
Старый 12.11.2014, 21:58   #22
Директор Луны
Ушел в мир иной от нас...
 
Аватар для Директор Луны
 
Регистрация: 06.04.2008
Адрес: EMMA Ukraine
Возраст: 60
Сообщений: 9,976
Вы сказали Спасибо: 43
Поблагодарили 423 раз(а) в 130 сообщениях
Репутация: 1086
По умолчанию Re: Откуда берётся минус?

Цитата:
Сообщение от Sl@von Посмотреть сообщение
А объясните мне "зеленому" в этом не легком деле, обязательно ли дублировать массу от АКб на кузов если "-" берется на прямую с АКБ а не с кузова? и зачем?
Долго писАть зачем и насколько обязательно.
На ближайшей встрече в Харькове спроси, расскажут быстро и на пальцах.
Директор Луны вне форума   Ответить с цитированием Вверх
Старый 12.11.2014, 22:39   #23
Lestatid
 
Аватар для Lestatid
 
Регистрация: 21.07.2009
Адрес: Винница
Сообщений: 707
Вы сказали Спасибо: 72
Поблагодарили 27 раз(а) в 26 сообщениях
Репутация: 111
По умолчанию Re: Откуда берётся минус?

Огромное спасибо, Борис! За разжеванною информацию ))

Директор, Кос, Лукас - плюсую Вам всем!
Lestatid вне форума   Ответить с цитированием Вверх
Старый 13.11.2014, 09:02   #24
Finally Woken
 
Аватар для Finally Woken
 
Регистрация: 26.11.2013
Адрес: Zp
Сообщений: 135
Вы сказали Спасибо: 0
Поблагодарили 0 раз(а) в 0 сообщениях
Репутация: 17
По умолчанию Re: Откуда берётся минус?

Цитата:
Сообщение от K.O.S. Посмотреть сообщение
отключи тюльпаны от проца и запусти - сразу все поймешь
а если он так и сделает послушав твоего совета и посмотрев кол-во плюсов?
Finally Woken вне форума   Ответить с цитированием Вверх
Старый 13.11.2014, 09:21   #25
K.O.S.
Старейшина
 
Аватар для K.O.S.
 
Регистрация: 22.10.2010
Адрес: Васильевка (Запорожская обл.)
Возраст: 35
Сообщений: 4,174
Вы сказали Спасибо: 323
Поблагодарили 233 раз(а) в 189 сообщениях
Репутация: 919
Отправить сообщение для K.O.S. с помощью ICQ Отправить сообщение для K.O.S. с помощью Skype™
По умолчанию Re: Откуда берётся минус?

Цитата:
Сообщение от Sl@von Посмотреть сообщение
А объясните мне "зеленому" в этом не легком деле, обязательно ли дублировать массу от АКб на кузов если "-" берется на прямую с АКБ а не с кузова? и зачем?
обязательно организовать хорошие контакты между узлами "генератор"-"акб"-"потребитель"... то как это будет организовано - зависит от самого пользователя.

то ли это будет организовано чисто проводами "-" и "+", то ли "-" только по кузову... но тогда от каждого узла надо сделать хороший контакт на кузов, необходимым сечением - тут любые фантазии ))) но ток без фанатизма, ато с наводками придется бороться.
K.O.S. вне форума   Ответить с цитированием Вверх
Старый 24.11.2014, 20:00   #26
memphis456
 
Аватар для memphis456
 
Регистрация: 07.01.2014
Адрес: Алчевск
Сообщений: 23
Вы сказали Спасибо: 0
Поблагодарили 0 раз(а) в 0 сообщениях
Репутация: 0
По умолчанию Re: Откуда берётся минус?

Читая тему возник вопрос,тоесть получаеться имеется система ГУ Пионер, "+" на усилитель идёт от АКБ, "-" от усилителя на кузов и от "-" АКБ про дублирован на кузов,так вот сам вопрос,если отсоединить "-" который от кузова к усилителю, есть вариант что "-" пойдёт по межблочным проводам, и как следствие при включении ГУ выгорят линейные выхода на ГУ??Правильно ли понял?? И чем грозит тоже самое только если вытянуть предохранитель на "+"???
memphis456 вне форума   Ответить с цитированием Вверх
Старый 24.11.2014, 20:38   #27
nofeer
 
Аватар для nofeer
 
Регистрация: 27.11.2010
Адрес: Кривой Рог
Возраст: 40
Сообщений: 113
Вы сказали Спасибо: 30
Поблагодарили 7 раз(а) в 7 сообщениях
Репутация: 50
По умолчанию Re: Откуда берётся минус?

ничем! продублированн минус или нет это только лишь оттягивает неизбежное а именно если будут просадки питания на усилителе, то он будет (ток) идти по наименьшему сопротивлению (в том числе и через РСА, т.к. масса у них общая)
nofeer вне форума   Ответить с цитированием Вверх
Старый 25.11.2014, 08:48   #28
K.O.S.
Старейшина
 
Аватар для K.O.S.
 
Регистрация: 22.10.2010
Адрес: Васильевка (Запорожская обл.)
Возраст: 35
Сообщений: 4,174
Вы сказали Спасибо: 323
Поблагодарили 233 раз(а) в 189 сообщениях
Репутация: 919
Отправить сообщение для K.O.S. с помощью ICQ Отправить сообщение для K.O.S. с помощью Skype™
По умолчанию Re: Откуда берётся минус?

Цитата:
Сообщение от memphis456 Посмотреть сообщение
И чем грозит тоже самое только если вытянуть предохранитель на "+"???
ничем. путей для + больше нет
Цитата:
Сообщение от memphis456 Посмотреть сообщение
если отсоединить "-" который от кузова к усилителю, есть вариант что "-" пойдёт по межблочным проводам, и как следствие при включении ГУ выгорят линейные выхода на ГУ??
на пионере выгорит предохранительный резистор (или как там его правильно кличут?) и/или сломается предварь на усилке (как и случилось у меня с альпайном - в нем нет такого защитного средства как в пионере и ему было просто пофигу что у меня поломался усилок)
K.O.S. вне форума   Ответить с цитированием Вверх
Старый 25.11.2014, 10:56   #29
d2max
Старейшина
 
Аватар для d2max
 
Регистрация: 25.08.2009
Адрес: Одесса
Возраст: 53
Сообщений: 679
Вы сказали Спасибо: 0
Поблагодарили 0 раз(а) в 0 сообщениях
Репутация: 201
По умолчанию Re: Откуда берётся минус?

Цитата:
Сообщение от Директор Луны Посмотреть сообщение
Ошибка!
Уж на что я не спец по Альпам и то ...
http://www.manuals365.com/swf/alpine...n.html?page=73
При подключении ИВЫ к процу ремоут с ИВЫ не нужен.
Ремоут на проц включается по АЙНЕТУ.
С проца потом бери уже ремоут на усилки.
На "жопке" ИВЫ есть переключатель. NORMAL - EQ/DIV
При работе ИВЫ с процем этот переключатель надо поставить в положение EQ/DIV
И вся твоя головная боль пропадёт.
пс. А то ....... линейки, масса ....
ппс. Пожалуйста
иногда при включении/выключении ГУ, можно получить пук в динамики, так что я бы не откидывал и вариант подключения усилителей с использованием ремоута от ГУ, а проца по АиНет
тут уж пробовать надо
d2max вне форума   Ответить с цитированием Вверх
Старый 26.11.2014, 18:19   #30
memphis456
 
Аватар для memphis456
 
Регистрация: 07.01.2014
Адрес: Алчевск
Сообщений: 23
Вы сказали Спасибо: 0
Поблагодарили 0 раз(а) в 0 сообщениях
Репутация: 0
По умолчанию Re: Откуда берётся минус?

Цитата:
Сообщение от K.O.S. Посмотреть сообщение
ничем. путей для + больше нет

на пионере выгорит предохранительный резистор (или как там его правильно кличут?) и/или сломается предварь на усилке (как и случилось у меня с альпайном - в нем нет такого защитного средства как в пионере и ему было просто пофигу что у меня поломался усилок)
ООО,так то ясно,пасиб
memphis456 вне форума   Ответить с цитированием Вверх
Старый 26.11.2014, 22:18   #31
q_w_e_r_t_y
Старейшина
 
Аватар для q_w_e_r_t_y
 
Регистрация: 17.01.2009
Адрес: Киевская обл.
Возраст: 44
Сообщений: 482
Вы сказали Спасибо: 4
Поблагодарили 3 раз(а) в 3 сообщениях
Репутация: 67
По умолчанию Re: Откуда берётся минус?

иногда вместе с предохранительным резистором горят и ключи "мюте"..
q_w_e_r_t_y вне форума   Ответить с цитированием Вверх
Старый 26.11.2014, 23:32   #32
K.O.S.
Старейшина
 
Аватар для K.O.S.
 
Регистрация: 22.10.2010
Адрес: Васильевка (Запорожская обл.)
Возраст: 35
Сообщений: 4,174
Вы сказали Спасибо: 323
Поблагодарили 233 раз(а) в 189 сообщениях
Репутация: 919
Отправить сообщение для K.O.S. с помощью ICQ Отправить сообщение для K.O.S. с помощью Skype™
По умолчанию Re: Откуда берётся минус?

и тогда мафон фонит и щелкает?
K.O.S. вне форума   Ответить с цитированием Вверх
Старый 26.11.2014, 23:47   #33
q_w_e_r_t_y
Старейшина
 
Аватар для q_w_e_r_t_y
 
Регистрация: 17.01.2009
Адрес: Киевская обл.
Возраст: 44
Сообщений: 482
Вы сказали Спасибо: 4
Поблагодарили 3 раз(а) в 3 сообщениях
Репутация: 67
По умолчанию Re: Откуда берётся минус?

угу
q_w_e_r_t_y вне форума   Ответить с цитированием Вверх
Ответ


Здесь присутствуют: 1 (пользователей: 0 , гостей: 1)
 

Ваши права в разделе
Вы не можете создавать новые темы
Вы не можете отвечать в темах
Вы не можете прикреплять вложения
Вы не можете редактировать свои сообщения

BB коды Вкл.
Смайлы Вкл.
[IMG] код Вкл.
HTML код Выкл.

Быстрый переход

Похожие темы
Тема Автор Раздел Ответов Последнее сообщение
(клеммы, разветвители, коннекторы) Аккумулятор AGM от 60А/Ч, Минус клемма lenivets Куплю 7 24.09.2014 21:55
(клеммы, разветвители, коннекторы) Клемма АКБ Минус lenivets Куплю 0 30.08.2014 17:23
Откуда можно вытащить цифру? SOVA Практика по SQ 19 22.08.2012 14:11
Откуда берутся клоны? Каток Белый шум 2 28.02.2011 11:34
Откуда берётся низкодобротная акустика? Netman_avs Теория и точка зрения по SQ 23 06.11.2007 09:27


Текущее время: 04:15. Часовой пояс GMT +2.


Перевод: zCarot
autozvuk.org ©