Всё об автозвуке

Вернуться   Всё об автозвуке > Высшая лига Sound Pressure Level (мощный и громкий бас) > Теория и точка зрения по SPL
Регистрация Новые сообщения Правила форума Справка Сообщество Календарь Поиск

Важная информация

Теория и точка зрения по SPL Беседы об величине порохового заряда в сабе.

Ответ
 
Опции темы Опции просмотра
Старый 05.04.2011, 14:37   #41
Куряка
Старейшина
 
Аватар для Куряка
 
Регистрация: 30.03.2009
Адрес: Днепропетровск
Возраст: 62
Сообщений: 2,269
Вы сказали Спасибо: 157
Поблагодарили 213 раз(а) в 103 сообщениях
Репутация: 339
По умолчанию Re: Расчет сабвуфера программой jbl speakershop

Цитата
Сообщение от corp Посмотреть сообщение
нету у меня её, программулины этой...
Да тут даже вопрос не в том, смогу ли я её настроить и чекнуть...
Вопрос вот в чем.
На финальной группе графиков (где Игорь показывает рабочую область: ниже 119Дб и правее) не понятно - будет ли салон еще "поднимать" этот самый интересный диапазон 10-50, или на картинке - уже "поднятый" салоном результат...
Можеть не ясно задаю вопросы?
Предположим, что я не прав в своем предидущем выводе о законе сохранения энергии и нужно учитывать подьём АЧХ салоном на финальном графике. Сейчас попробуем это сделать , добавляя по 12 Дб звукового давления на каждую октаву вниз,только не к нормированной АЧХ при малом сигнале в свободном пространстве ,а к графику мощности , ограниченной ходом диффузора . Как я это сделал- смотрим картинку 1, оранжевая кривая. Затем режем выше 60 Гц фильтром, и получаем рабочую область звуковых давлений саба - картинка 2 -в данном случае оранжевая область . Уже интереснее , чем в предидущем случае, но это всё равно не та картинка которую рисует график Нормированной АЧХ с ПТИЧКОЙ.
Миниатюры
Нажмите на изображение для увеличения
Название: 9.JPG
Просмотров: 1909
Размер:	194.7 Кб
ID:	7717   Нажмите на изображение для увеличения
Название: 09.JPG
Просмотров: 1980
Размер:	190.6 Кб
ID:	7718  

Куряка вне форума   Ответить с цитированием Вверх
Старый 05.04.2011, 15:30   #42
corp
 
Аватар для corp
 
Регистрация: 21.04.2009
Адрес: Донецк
Возраст: 56
Сообщений: 517
Вы сказали Спасибо: 19
Поблагодарили 7 раз(а) в 7 сообщениях
Репутация: 50
Отправить сообщение для corp с помощью ICQ
По умолчанию Re: Расчет сабвуфера программой jbl speakershop

а вот теперь бы "опустить" оранжевую область до уровня 119ДБ...
corp вне форума   Ответить с цитированием Вверх
Старый 05.04.2011, 16:17   #43
Куряка
Старейшина
 
Аватар для Куряка
 
Регистрация: 30.03.2009
Адрес: Днепропетровск
Возраст: 62
Сообщений: 2,269
Вы сказали Спасибо: 157
Поблагодарили 213 раз(а) в 103 сообщениях
Репутация: 339
По умолчанию Re: Расчет сабвуфера программой jbl speakershop

Цитата
Сообщение от corp Посмотреть сообщение
а вот теперь бы "опустить" оранжевую область до уровня 119ДБ...
Опускаю. Так?
Миниатюры
Нажмите на изображение для увеличения
Название: 10.JPG
Просмотров: 1789
Размер:	192.4 Кб
ID:	7722  
Куряка вне форума   Ответить с цитированием Вверх
Старый 05.04.2011, 17:37   #44
Куряка
Старейшина
 
Аватар для Куряка
 
Регистрация: 30.03.2009
Адрес: Днепропетровск
Возраст: 62
Сообщений: 2,269
Вы сказали Спасибо: 157
Поблагодарили 213 раз(а) в 103 сообщениях
Репутация: 339
По умолчанию Re: Расчет сабвуфера программой jbl speakershop

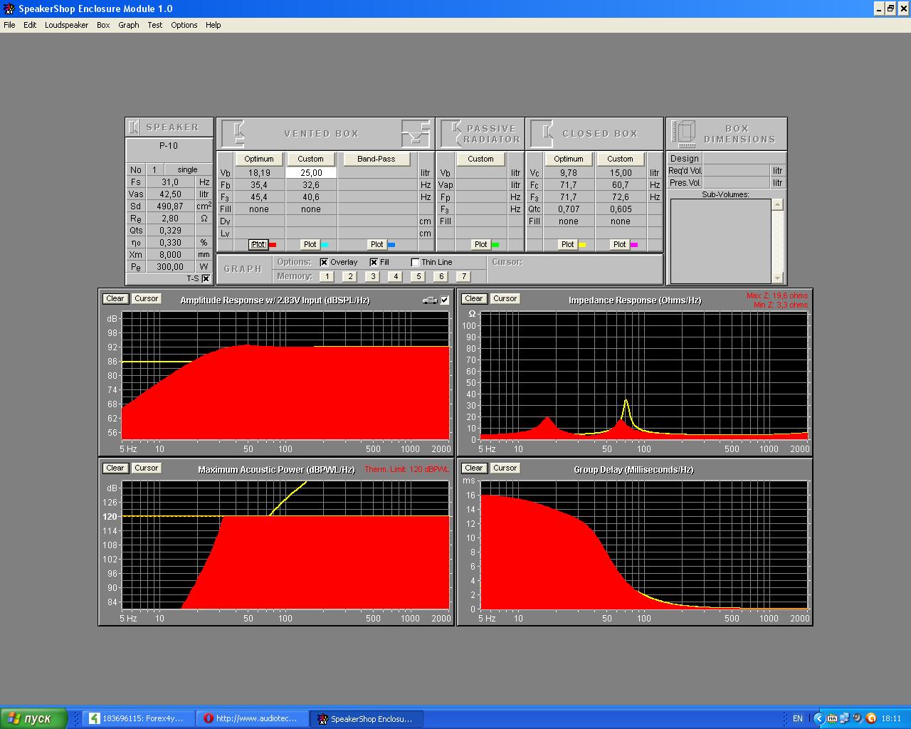
А вот картинки для очень популярного динамика Хеликс Р-10. На нём общепринято строить фронтальные сабики в маленьком обьёме в ЗЯ. И что же может выдать этот динамик в ЗЯ?.
Рис 1 - электромеханические параметры динамика;
Рис 2 - стандартные графики для ЗЯ (жёлтые кривые) и ФИ (красные кривые). Программа рекомендует 10 литров ( при добротности 0.707 в оформлении) для ЗЯ и 18 литров для оптимального по звуку ФИ. Хотя производитель рекомендует 15 и 25 литров соответственно.
Рис 3 - Выделяем рабочие области для малых сигналов и режима максимальных мощностей. Батюшки! АЧХ динамика с общей добротностью 0.33 снова ровная с небольшим завалом 6 Дб от 50 Гц и ниже по отношению к средним частотам. Шо за дела? Динамик с общей добротностью 0.6 (Alpina SWS1243D) и 0.33 в ЗЯ будут иметь в машине одинаково глубокий бас , только по громкости отличатся в 10 Дб ( субьективно в 2 раза на ухо) при одинаковой мощности с усилка?
Рис 4 - Накладываем кривую АЧХ ( голучая линия) на малой громкости на область Макс. Акуст. Мощности;
Рис 5 - Оранжевая заливка- облать рабочих давлений этого динамика в ЗЯ в абстрактном автомобиле и включенном фильтре LPF на частоте примерно 60 Гц.
Да это не саб! Это большой, громкий мидбасс!
Миниатюры
Нажмите на изображение для увеличения
Название: Безымянный.JPG
Просмотров: 1875
Размер:	191.6 Кб
ID:	7724   Нажмите на изображение для увеличения
Название: 20.JPG
Просмотров: 1817
Размер:	209.1 Кб
ID:	7725  

Нажмите на изображение для увеличения
Название: 21.JPG
Просмотров: 1736
Размер:	185.6 Кб
ID:	7726   Нажмите на изображение для увеличения
Название: 22.JPG
Просмотров: 1872
Размер:	185.1 Кб
ID:	7727  

Нажмите на изображение для увеличения
Название: 233.JPG
Просмотров: 1846
Размер:	184.8 Кб
ID:	7728  
Куряка вне форума   Ответить с цитированием Вверх
Старый 05.04.2011, 17:53   #45
Куряка
Старейшина
 
Аватар для Куряка
 
Регистрация: 30.03.2009
Адрес: Днепропетровск
Возраст: 62
Сообщений: 2,269
Вы сказали Спасибо: 157
Поблагодарили 213 раз(а) в 103 сообщениях
Репутация: 339
По умолчанию Re: Расчет сабвуфера программой jbl speakershop

А теперь нужно сделать низкоиграющий саб в ЗЯ. Пожалуйста. Последующие рисунки иллюстрируют, как и в предидущем случае, что мы делаем. На последнем рисунке , оранжевая область - область частот и мощностей максимально низко играющего ЗЯ на этой головке. В физическом мире мы это сделаем при помощи HPF,LPF и Gain усилителя. Грусно. Хоть сабик и отыгрывает 25 Гц но, мощность излучения мизерна( соответственно и звуковое давление).
Миниатюры
Нажмите на изображение для увеличения
Название: 24.JPG
Просмотров: 1783
Размер:	185.7 Кб
ID:	7729   Нажмите на изображение для увеличения
Название: 25.JPG
Просмотров: 1655
Размер:	185.8 Кб
ID:	7730  

Нажмите на изображение для увеличения
Название: 26.JPG
Просмотров: 1733
Размер:	185.4 Кб
ID:	7731  
Куряка вне форума   Ответить с цитированием Вверх
Старый 05.04.2011, 18:05   #46
Куряка
Старейшина
 
Аватар для Куряка
 
Регистрация: 30.03.2009
Адрес: Днепропетровск
Возраст: 62
Сообщений: 2,269
Вы сказали Спасибо: 157
Поблагодарили 213 раз(а) в 103 сообщениях
Репутация: 339
По умолчанию Re: Расчет сабвуфера программой jbl speakershop

А теперь тот же динамик в ФИ 18 литров. Последний рисунок - оранжевая область - область рабочих мощностей излучения. Это уже супер. От 30 Гц и выше ровная полочка с бешенным, по сравнению с ЗЯ, звуковым давлением. На тех же 30 Гц разница в акустической мощности ( и скорее всего в звуковом давлении также) в 30 Дб. С таким сабиком можно уже и Металлику послушать от души и соседей по улице порадовать. И это в компактном обьёме 18 литров.
Хотя трусить на инфранизах не будет.:grust:
Миниатюры
Нажмите на изображение для увеличения
Название: 31.JPG
Просмотров: 1704
Размер:	178.6 Кб
ID:	7732   Нажмите на изображение для увеличения
Название: 32.JPG
Просмотров: 1773
Размер:	178.0 Кб
ID:	7733  

Нажмите на изображение для увеличения
Название: 313.JPG
Просмотров: 1861
Размер:	178.3 Кб
ID:	7734  
Куряка вне форума   Ответить с цитированием Вверх
Старый 05.04.2011, 18:58   #47
corp
 
Аватар для corp
 
Регистрация: 21.04.2009
Адрес: Донецк
Возраст: 56
Сообщений: 517
Вы сказали Спасибо: 19
Поблагодарили 7 раз(а) в 7 сообщениях
Репутация: 50
Отправить сообщение для corp с помощью ICQ
По умолчанию Re: Расчет сабвуфера программой jbl speakershop

извини, Игорь, но уже все наверное, знают, что этому КЛАССНОМУ сабу для работы в ЗЯ нужен бОльший объем.
Я специально не комментирую твое желание засунуть его в 10л на фронт.
Это и есть объем для норм мида...

Добавлено через 1 минуту
Цитата:
Сообщение от Куряка Посмотреть сообщение
Опускаю. Так?
ну и как ты прокомментируtшь то что получилось после "опускания"?

Последний раз редактировалось corp; 05.04.2011 в 18:59. Причина: Добавлено сообщение
corp вне форума   Ответить с цитированием Вверх
Старый 06.04.2011, 10:20   #48
Куряка
Старейшина
 
Аватар для Куряка
 
Регистрация: 30.03.2009
Адрес: Днепропетровск
Возраст: 62
Сообщений: 2,269
Вы сказали Спасибо: 157
Поблагодарили 213 раз(а) в 103 сообщениях
Репутация: 339
По умолчанию Re: Расчет сабвуфера программой jbl speakershop

Цитата
Сообщение от corp Посмотреть сообщение
извини, Игорь, но уже все наверное, знают, что этому КЛАССНОМУ сабу для работы в ЗЯ нужен бОльший объем.
Я специально не комментирую твое желание засунуть его в 10л на фронт.
Это и есть объем для норм мида...
Да, производитель рекомендует его в 15 литров. Многие так и делают. Моделируем. Смотрим картинку. Жёлтая кривая - ЗЯ 10 литров ( не я засунул этот динамик в этот обьём , это оптимальная рекомендация JBL SpeacerShop) , фиолетовая кривая -ЗЯ 15 литров. Что принципиально изменилось? 1.Общая добротность уменьшилась с 0.707 до 0.6 - на слух хуже не стало, а даже лучше- хорошо. 2.Судя по кривой импенданса удары отрабатывать будет лучше - услышим, и это хорошо.. 3. Резонансная частота динамика в оформлении стал ниже. Было 70 Гц, стало 60 Гц - как был мидбасс, так и остался. 4. На 30 -40 Гц АЧХ и МАМ поднялись на 2 Дб - хорошо, но с учётом того, что изначально уровень низкий, погоды это не изменило принципиально.
Исходя из этого делаю выводы: Да, в 15 литрах играет лучше, чем в 10-ти. Но это всё дроч. Принципиально ничего не изменилось. Попытка из гавна слепить катлетку. Не проще ли найти в машине ещё 3-5 литров и сделать из этого динамика хороший ФИ, со всеми его плюсами? Тем более, что временная задержка у ФИ на этом динамике очень и очень приемлемая.
П.С. Слушал на соревнованиях немало машин на этом динамике в ЗЯ. Всегда отмечаю отсутсвие глубины баса. И всегда слышу в ответ: " Да , обьём маловат. Поместилость под торпедо 13литров обьёма, а надо переделать под 15 , и сразу заиграет глубоко" НЕ ЗАИГРАЕТ !
Миниатюры
Нажмите на изображение для увеличения
Название: 314.JPG
Просмотров: 1918
Размер:	205.3 Кб
ID:	7736  

Последний раз редактировалось Куряка; 06.04.2011 в 15:49.
Куряка вне форума   Ответить с цитированием Вверх
Старый 06.04.2011, 10:32   #49
Куряка
Старейшина
 
Аватар для Куряка
 
Регистрация: 30.03.2009
Адрес: Днепропетровск
Возраст: 62
Сообщений: 2,269
Вы сказали Спасибо: 157
Поблагодарили 213 раз(а) в 103 сообщениях
Репутация: 339
По умолчанию Re: Расчет сабвуфера программой jbl speakershop

Цитата
Сообщение от corp Посмотреть сообщение
ну и как ты прокомментируtшь то что получилось после "опускания"?
Отличный бас. Только ящик большой, не автомобильный. И ещё есть сомнение в такой глубине баса. Реально она будет меньше. Потому что мы моделируем на основе идеализированной переходной характеристики, где после 50 Гц происходит подьём 12 Дб на октаву, вплоть до 0Гц. В реальных машинах, основной пик , чаще всего, на 50-60Гц, а потом спад АЧХ. Ниже 30-20 ГЦ машины сифонят, частенько, так, что скорее можно говорить о резком провале, нежели о подьёме. Так что, мЕру моего оптимизма поумЕньшу.

Последний раз редактировалось Куряка; 06.04.2011 в 15:51.
Куряка вне форума   Ответить с цитированием Вверх
Старый 06.04.2011, 16:26   #50
corp
 
Аватар для corp
 
Регистрация: 21.04.2009
Адрес: Донецк
Возраст: 56
Сообщений: 517
Вы сказали Спасибо: 19
Поблагодарили 7 раз(а) в 7 сообщениях
Репутация: 50
Отправить сообщение для corp с помощью ICQ
По умолчанию Re: Расчет сабвуфера программой jbl speakershop

Цитата:
Сообщение от Куряка Посмотреть сообщение
Да, производитель рекомендует его в 15 литров. Многие так и делают. Моделируем. Смотрим картинку. Жёлтая кривая - ЗЯ 10 литров ( не я засунул этот динамик в этот обьём , это оптимальная рекомендация JBL SpeacerShop) , фиолетовая кривая -ЗЯ 15 литров. Что принципиально изменилось? 1.Общая добротность уменьшилась с 0.707 до 0.6 - на слух хуже не стало, а даже лучше- хорошо. 2.Судя по кривой импенданса удары отрабатывать будет лучше - услышим, и это хорошо.. 3. Резонансная частота динамика в оформлении стал ниже. Было 70 Гц, стало 60 Гц - как был мидбасс, так и остался. 4. На 30 -40 Гц АЧХ и МАМ поднялись на 2 Дб - хорошо, но с учётом того, что изначально уровень низкий, погоды это не изменило принципиально.
Исходя из этого делаю выводы: Да, в 15 литрах играет лучше, чем в 10-ти. Но это всё дроч. Принципиально ничего не изменилось. Попытка из гавна слепить катлетку. Не проще ли найти в машине ещё 3-5 литров и сделать из этого динамика хороший ФИ, со всеми его плюсами? Тем более, что временная задержка у ФИ на этом динамике очень и очень приемлемая.
П.С. Слушал на соревнованиях немало машин на этом динамике в ЗЯ. Всегда отмечаю отсутсвие глубины баса. И всегда слышу в ответ: " Да , обьём маловат. Поместилость под торпедо 13литров обьёма, а надо переделать под 15 , и сразу заиграет глубоко" НЕ ЗАИГРАЕТ !
если нужен низкий бас в ЗЯ (с его преимуществами) нехрен пыжиться/тужиться в малые объемы накласть
Нет баса в малых объемах. и не нужно смотреть рекомендации СпикерШопа. рекомендации производителя - и то врут! исключительно отталкиваться от результатов конкретного дина....Думаю, литрах в 20-23 Этому Хелику самое место. двенашка будет просить 40-45.
Кажется понял смысл этих замеров/графикофф
Спорить о том что лучше - ЗЯ или ФИ - это ведь не в этой ветке?

Добавлено через 5 минут
Цитата:
Сообщение от Куряка Посмотреть сообщение
Отличный бас. Только ящик большой, не автомобильный.
В реальных машинах, основной пик , чаще всего, на 50-60Гц, а потом спад АЧХ.
Значит реальные машины - хреновые!! Именно в этом вся проблема 99,9% автозвуколюбов/любителей: возьмут классный дин, вставят в ж...ящик не пойми какой (миды-не пойми вообще куда, итп...), послушают, проблюются, посетуют, что объема маловато, мало усилка или еще чего и берутся за следующий дин. С таким подходом

Последний раз редактировалось corp; 06.04.2011 в 16:33. Причина: Добавлено сообщение
corp вне форума   Ответить с цитированием Вверх
Старый 06.04.2011, 16:52   #51
Куряка
Старейшина
 
Аватар для Куряка
 
Регистрация: 30.03.2009
Адрес: Днепропетровск
Возраст: 62
Сообщений: 2,269
Вы сказали Спасибо: 157
Поблагодарили 213 раз(а) в 103 сообщениях
Репутация: 339
По умолчанию Re: Расчет сабвуфера программой jbl speakershop

Цитата
Сообщение от corp Посмотреть сообщение
если нужен низкий бас в ЗЯ (с его преимуществами) нехрен пыжиться/тужиться в малые объемы накласть
Нет баса в малых объемах. и не нужно смотреть рекомендации СпикерШопа. рекомендации производителя - и то врут! исключительно отталкиваться от результатов конкретного дина....Думаю, литрах в 20-23 Этому Хелику самое место. двенашка будет просить 40-45.
Кажется понял смысл этих замеров/графикофф
Спорить о том что лучше - ЗЯ или ФИ - это ведь не в этой ветке?

Добавлено через 5 минут

Значит реальные машины - хреновые!! Именно в этом вся проблема 99,9% автозвуколюбов/любителей: возьмут классный дин, вставят в ж...ящик не пойми какой (миды-не пойми вообще куда, итп...), послушают, проблюются, посетуют, что объема маловато, мало усилка или еще чего и берутся за следующий дин. С таким подходом
Ты максималист. А я реалист.
Не хотят люди жертвовать всем багажником ради хорошего звука. Больше 20-30 литров полезного обьёма автомобиля никто отдавать не хочет. Я сам такой. Это во- первых. Во-вторых, есть динамики для ЗЯ ( живой пример Alpina SWS1243D) , а есть для ФИ ( наш Хеликс Р-10). И нечегоего в ЗЯ совать, даже в 20-23 литра . Не будет там баса.
Куряка вне форума   Ответить с цитированием Вверх
Старый 06.04.2011, 16:58   #52
corp
 
Аватар для corp
 
Регистрация: 21.04.2009
Адрес: Донецк
Возраст: 56
Сообщений: 517
Вы сказали Спасибо: 19
Поблагодарили 7 раз(а) в 7 сообщениях
Репутация: 50
Отправить сообщение для corp с помощью ICQ
По умолчанию Re: Расчет сабвуфера программой jbl speakershop

Цитата:
Сообщение от Куряка Посмотреть сообщение
Ты максималист. А я реалист.
Перефразирую чуть:
есть бас, а есть компромисс. и в этом компромиссе борются объем и качество баса: больше объема - больше хорошего баса. Цена у него такая...

и про ФИ на Хелике - соглашуст - он таки больше ФИ. Хотя, я тебе скажу, и в ЗЯ будет хорош....
corp вне форума   Ответить с цитированием Вверх
Старый 06.04.2011, 17:45   #53
Куряка
Старейшина
 
Аватар для Куряка
 
Регистрация: 30.03.2009
Адрес: Днепропетровск
Возраст: 62
Сообщений: 2,269
Вы сказали Спасибо: 157
Поблагодарили 213 раз(а) в 103 сообщениях
Репутация: 339
По умолчанию Re: Расчет сабвуфера программой jbl speakershop

Цитата
Сообщение от corp Посмотреть сообщение
Перефразирую чуть:
есть бас, а есть компромисс. и в этом компромиссе борются объем и качество баса: больше объема - больше хорошего баса. Цена у него такая...

и про ФИ на Хелике - соглашуст - он таки больше ФИ. Хотя, я тебе скажу, и в ЗЯ будет хорош....
Может и хороший, но не громкий. Не для Металлики.
Куряка вне форума   Ответить с цитированием Вверх
Старый 07.04.2011, 13:40   #54
SOVA
Старейшина
 
Аватар для SOVA
 
Регистрация: 21.09.2007
Адрес: Киев
Возраст: 57
Сообщений: 1,446
Вы сказали Спасибо: 128
Поблагодарили 422 раз(а) в 191 сообщениях
Репутация: 628
По умолчанию Re: Расчет сабвуфера программой jbl speakershop

Молодец, Петрович!
Хотелось, чтобы все рассчитывали свои сабы перед постройкой
Раз буквы у тебя есть, ещё распиши, как рассчитывать порт фазоинвертора, чтобы не свистел и не гудел, да и был не длинным.
Если пару человек начнут после этого корректировать свои прикидки по ящикам, то этот труд не напрасен.
Практически очень удобно пользоваться программой WinISD PRO alpha. В ней параметры ящика можно крутить мышкой в реальном времени, да и информации в ней побольше.
SOVA вне форума   Ответить с цитированием Вверх
Старый 10.04.2011, 03:14   #55
tcderways
 
Аватар для tcderways
 
Регистрация: 05.02.2011
Адрес: на юге
Возраст: 45
Сообщений: 2
Вы сказали Спасибо: 18
Поблагодарили 0 раз(а) в 0 сообщениях
Репутация: 0
По умолчанию Re: Расчет сабвуфера программой jbl speakershop

Ну таки и в итоге, нужно ли накладывать нормализированный график или ориентироваться на МАМ?
tcderways вне форума   Ответить с цитированием Вверх
Старый 10.04.2011, 12:18   #56
SOVA
Старейшина
 
Аватар для SOVA
 
Регистрация: 21.09.2007
Адрес: Киев
Возраст: 57
Сообщений: 1,446
Вы сказали Спасибо: 128
Поблагодарили 422 раз(а) в 191 сообщениях
Репутация: 628
По умолчанию Re: Расчет сабвуфера программой jbl speakershop

Неужели никто не понял, что графики максимальной акустической мощности, ограничения электрической мощности, амплитуды смещения диффузора, импеданса и пр. не зависят от акустической обстановки (в машине или на улице). Изменяется лишь результирующая АЧХ, и то в первом приближении.
В общем, всем нельзя разжевать, в рот положить и за них проглотить.
Стройте сабы, измеряйте, слушайте, делайте выводы.
Ну никто не может за вас пройти эту дорожку. Только после опытов будете понимать физический смысл научных терминов.
SOVA вне форума   Ответить с цитированием Вверх
Старый 14.04.2011, 13:29   #57
Куряка
Старейшина
 
Аватар для Куряка
 
Регистрация: 30.03.2009
Адрес: Днепропетровск
Возраст: 62
Сообщений: 2,269
Вы сказали Спасибо: 157
Поблагодарили 213 раз(а) в 103 сообщениях
Репутация: 339
По умолчанию Re: Расчет сабвуфера программой jbl speakershop

Цитата
Сообщение от tcderways Посмотреть сообщение
Ну таки и в итоге, нужно ли накладывать нормализированный график или ориентироваться на МАМ?
Если знаешь, каков будет точно нормализованный график( знаешь переходную характеристику салона), тогда можно и наложить. Та переходная характеристика салона, которая забита в программе JBL SS не соответствует действительности. Если грубо, то я привык не обращать внимание на переходную характеристику салона и больше ориентируюсь на МАМ. Если МАМ показывает что ЗЯ не будет выдавать Звуковой Мощности ниже 60 Гц ( как в случае с Хеликсом Р10), то я уже и не мучаюсь - в топку такой саб , никакой подьём салона его не спасёт. Даже такой идеальный , как забитый в JBL SS. Если он делает хоть какие-то попытки залезть в область 30-35 Гц по кривой МАМ ( случай с указанным топиком Алпайном), тогда есть надежда , что салон ещё как-то "подыграет" снизу и получится глубокий , громкий басс. И то не факт. Хотя и 30 Гц-35 Гц для саба- уже хорошо.
Т.е. разрешённая область МАМ позволяет 100 % прогнозировать характер звука в открытом пространстве( дом, магазин, очень большой автомобиль) и приблизительно, грубо - в маленьких и средних по размеру автомобилях. Этот график нельзя игнорировать , и даже ,в большей степени ,ориентироваться на него , чем на график нормализованной громкости.

Точнее будет так: Графиком нормализованной громкости можно пренебречь, если он показывает ровную кривую в пределах рабочей области МАМ. Если Нормализованная АЧХ слишком горбатая , тогда есть смысл накладывать её на МАМ и что-то там анализировать. Правда есть одно "но". Когда АЧХ слишком горбатая, то скорее всего это" не музыкальная" настройка саба, а СПЛная. Скорее всего и график "временная задержка"будет иметь в этой области "горб". И не стоит вообще возится с таким оформлением. Нормализованную АЧХ стоит контролировать только на "плавность", отсутствие "горбов" и " провалов".
Куряка вне форума   Ответить с цитированием Вверх
Старый 02.02.2012, 20:49   #58
alfa25
 
Аватар для alfa25
 
Регистрация: 11.03.2011
Адрес: Kotsubinskoe
Возраст: 54
Сообщений: 299
Вы сказали Спасибо: 19
Поблагодарили 26 раз(а) в 14 сообщениях
Репутация: 65
По умолчанию Re: Расчет сабвуфера программой jbl speakershop

Нашел статью по измерению передаточной функции салона http://cxem.net/sound/dinamics/dinamic47.php
Потеплеет попробую.
alfa25 вне форума   Ответить с цитированием Вверх
Старый 03.02.2012, 12:28   #59
Куряка
Старейшина
 
Аватар для Куряка
 
Регистрация: 30.03.2009
Адрес: Днепропетровск
Возраст: 62
Сообщений: 2,269
Вы сказали Спасибо: 157
Поблагодарили 213 раз(а) в 103 сообщениях
Репутация: 339
По умолчанию Re: Расчет сабвуфера программой jbl speakershop

Цитата:
Сообщение от alfa25 Посмотреть сообщение
Нашел статью по измерению передаточной функции салона http://cxem.net/sound/dinamics/dinamic47.php
Потеплеет попробую.
Ждём отчёта.
Куряка вне форума   Ответить с цитированием Вверх
Старый 25.02.2012, 16:53   #60
alfa25
 
Аватар для alfa25
 
Регистрация: 11.03.2011
Адрес: Kotsubinskoe
Возраст: 54
Сообщений: 299
Вы сказали Спасибо: 19
Поблагодарили 26 раз(а) в 14 сообщениях
Репутация: 65
По умолчанию Re: Расчет сабвуфера программой jbl speakershop

Испытуемые - Helix P10 в ЗЯ 16 литров и салон Форд Фиеста 2006 года. RTA и генератор розового шума из программы RoomEQ, внешняя звуковая карта Audio Kontrol 1, микрофон Behringer ECM8000, шумомер для калибровки(кетайский). Напряжение на выходе усилителя на саб 1в. В качестве линейки использовал программу SpectraPLUS в режиме стерео. Измерений было несколько, потом вычислял среднее значение в салоне и среднее значение снаружи.
1 фото - "линейка"
2 фото для наглядности внутри салона
3 фото средняя АЧХ внутри
4 фото для наглядности саб вне салона
5 фото средняя АЧХ вне салона
6 фото АЧХ внутри минус АЧХ снаружи
Миниатюры
Нажмите на изображение для увеличения
Название: Линейка.jpg
Просмотров: 1773
Размер:	501.5 Кб
ID:	15469   Нажмите на изображение для увеличения
Название: Салон1.jpg
Просмотров: 1660
Размер:	202.7 Кб
ID:	15470  

Нажмите на изображение для увеличения
Название: Среднее_внутри.jpeg
Просмотров: 1695
Размер:	30.1 Кб
ID:	15471   Нажмите на изображение для увеличения
Название: Снаружи1.jpg
Просмотров: 1753
Размер:	204.6 Кб
ID:	15472  

Нажмите на изображение для увеличения
Название: Среднее_снаружи.jpeg
Просмотров: 1640
Размер:	30.8 Кб
ID:	15473   Нажмите на изображение для увеличения
Название: Результат.jpeg
Просмотров: 1680
Размер:	31.7 Кб
ID:	15474  

alfa25 вне форума   Ответить с цитированием Вверх
Ответ


Здесь присутствуют: 1 (пользователей: 0 , гостей: 1)
 

Ваши права в разделе
Вы не можете создавать новые темы
Вы не можете отвечать в темах
Вы не можете прикреплять вложения
Вы не можете редактировать свои сообщения

BB коды Вкл.
Смайлы Вкл.
[IMG] код Вкл.
HTML код Выкл.

Быстрый переход

Похожие темы
Тема Автор Раздел Ответов Последнее сообщение
Расчет правильного порта программой Bassport K.O.S. Теория и точка зрения по SPL 31 15.10.2016 22:55
jbl speakershop для Windows 7 64bit MCuk Практические уроки, технологии и материалы 8 25.11.2013 19:35
Какой программой делать даунсемпл? juris.sq Теория и точка зрения по SQ 31 09.11.2013 13:55
Расчет корпуса. makci Практика в SPL 26 18.07.2012 14:03
JBL SpeakerShop woolfer Практика по SQ 10 05.02.2011 21:51


Текущее время: 16:43. Часовой пояс GMT +2.


Перевод: zCarot
autozvuk.org ©