Всё об автозвуке

Вернуться   Всё об автозвуке > Незвуковые темы > Белый шум

Важная информация

Белый шум Общение на незвуковые темы

Ответ
 
Опции темы Опции просмотра
Старый 19.01.2015, 17:21   #1
haltz
 
Аватар для haltz
 
Регистрация: 16.03.2011
Адрес: Херсон
Сообщений: 247
Вы сказали Спасибо: 0
Поблагодарили 1 раз в 1 сообщении
Репутация: 59
По умолчанию Помогите с переводом

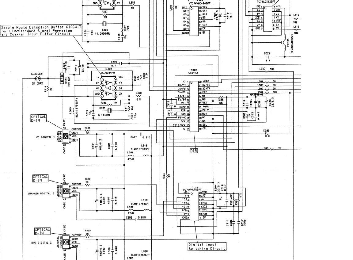
Помогите пожалуйста с переводом технического английского. На принципиальной схеме электронного устройства возле одной ИМС написан текст

Цитата Sample Route Detection Buffer Cicuit for DIR/Standard Signal Formation and Coaxial Input Buffer Circuit
Очень хотелось бы узнать, чего эта микросхемка там такого делает?
haltz вне форума   Ответить с цитированием Вверх
Старый 29.01.2015, 20:43   #2
радио
 
Аватар для радио
 
Регистрация: 29.05.2012
Адрес: Херсон
Возраст: 48
Сообщений: 1,029
Вы сказали Спасибо: 0
Поблагодарили 0 раз(а) в 0 сообщениях
Репутация: 128
По умолчанию Re: Помогите с переводом

я понял что понимает аналоговый сигнал и цифровой одновременно. Чтобы больше узнать- гугли pdf по названию микросхемы

Последний раз редактировалось радио; 29.01.2015 в 20:49.
радио вне форума   Ответить с цитированием Вверх
Старый 29.01.2015, 21:02   #3
haltz
 
Аватар для haltz
 
Регистрация: 16.03.2011
Адрес: Херсон
Сообщений: 247
Вы сказали Спасибо: 0
Поблагодарили 1 раз в 1 сообщении
Репутация: 59
По умолчанию Re: Помогите с переводом

Это вот отсюда - вход кокс на 900 проце альпа
Миниатюры
Нажмите на изображение для увеличения
Название: 900.jpg
Просмотров: 1000
Размер:	260.3 Кб
ID:	48389  
haltz вне форума   Ответить с цитированием Вверх
Старый 03.02.2015, 21:18   #4
Aleks1129
 
Аватар для Aleks1129
 
Регистрация: 08.05.2010
Адрес: Харьков
Сообщений: 106
Вы сказали Спасибо: 0
Поблагодарили 0 раз(а) в 0 сообщениях
Репутация: 18
По умолчанию Re: Помогите с переводом

Цитата
Сообщение от haltz Посмотреть сообщение
Помогите пожалуйста с переводом технического английского. На принципиальной схеме электронного устройства возле одной ИМС написан текст



Очень хотелось бы узнать, чего эта микросхемка там такого делает?
Пример обнаружения маршрута схема буфера для DIR / стандартный сигнал формирования и коаксиальный вход схема буфера
Aleks1129 вне форума   Ответить с цитированием Вверх
Старый 03.02.2015, 21:22   #5
haltz
 
Аватар для haltz
 
Регистрация: 16.03.2011
Адрес: Херсон
Сообщений: 247
Вы сказали Спасибо: 0
Поблагодарили 1 раз в 1 сообщении
Репутация: 59
По умолчанию Re: Помогите с переводом

Я в гугле это тоже делал. Мне бы более попонятней хотелось бы...
haltz вне форума   Ответить с цитированием Вверх
Старый 03.02.2015, 21:30   #6
Aleks1129
 
Аватар для Aleks1129
 
Регистрация: 08.05.2010
Адрес: Харьков
Сообщений: 106
Вы сказали Спасибо: 0
Поблагодарили 0 раз(а) в 0 сообщениях
Репутация: 18
По умолчанию Re: Помогите с переводом

Если не ошибаюсь, то судя по схеме этот элемент - импульсная микросхема (ИМС).
Выше её показан код элемента.
Aleks1129 вне форума   Ответить с цитированием Вверх
Старый 03.02.2015, 21:48   #7
haltz
 
Аватар для haltz
 
Регистрация: 16.03.2011
Адрес: Херсон
Сообщений: 247
Вы сказали Спасибо: 0
Поблагодарили 1 раз в 1 сообщении
Репутация: 59
По умолчанию Re: Помогите с переводом

В этой ИМС три операционника, два на усиление, один в режиме генерации. Вопросы:
1. Для чего сделано усиление? (можно ли без него обойтись)
2. Генерация?
3. Без этой ИМС кокс на вход коммутатора не подать?
haltz вне форума   Ответить с цитированием Вверх
Старый 03.02.2015, 22:01   #8
Aleks1129
 
Аватар для Aleks1129
 
Регистрация: 08.05.2010
Адрес: Харьков
Сообщений: 106
Вы сказали Спасибо: 0
Поблагодарили 0 раз(а) в 0 сообщениях
Репутация: 18
По умолчанию Re: Помогите с переводом

Стукните к Михаилу (Halin) за консультацией.
Aleks1129 вне форума   Ответить с цитированием Вверх
Старый 08.02.2015, 18:04   #9
SOVA
Старейшина
 
Аватар для SOVA
 
Регистрация: 21.09.2007
Адрес: Киев
Возраст: 57
Сообщений: 1,446
Вы сказали Спасибо: 128
Поблагодарили 422 раз(а) в 191 сообщениях
Репутация: 628
По умолчанию Re: Помогите с переводом

Это не операционники, а логические инверторы. На верхних двух сделан триггер для приёма S/PDIF сигнала от входа CD COAX до селектора входов на микросхеме IC301.
Они нужны для согласования уровня +-0,5В в 0-5В.
Третий элемент - кварцевый генератор 6,144МГц для работы приёмника IC302 CS8412.
SOVA вне форума   Ответить с цитированием Вверх
Ответ


Здесь присутствуют: 1 (пользователей: 0 , гостей: 1)
 
Опции темы
Опции просмотра

Ваши права в разделе
Вы не можете создавать новые темы
Вы не можете отвечать в темах
Вы не можете прикреплять вложения
Вы не можете редактировать свои сообщения

BB коды Вкл.
Смайлы Вкл.
[IMG] код Вкл.
HTML код Выкл.

Быстрый переход

Похожие темы
Тема Автор Раздел Ответов Последнее сообщение
Помогите ПЛЗ!!! Neznakomec Бюджетный автозвук и песочница. 0 16.10.2012 19:50
помогите с USB Юрчик Бюджетный автозвук и песочница. 8 05.02.2012 09:18
ПОМОГИТЕ Роман Бюджетный автозвук и песочница. 0 12.02.2010 17:15


Текущее время: 20:30. Часовой пояс GMT +2.


Перевод: zCarot
autozvuk.org ©