Всё об автозвуке

Вернуться   Всё об автозвуке > Высшая лига Sound Quality (натуральный и красивый звук) > Практика по SQ
Регистрация Новые сообщения Правила форума Справка Сообщество Календарь Поиск

Важная информация

Практика по SQ Головные устройства, акустика, кроссоверы, процессоры и много-много других страшных слов

Ответ
 
Опции темы Опции просмотра
Старый 16.02.2011, 10:39   #1
prizrak
 
Аватар для prizrak
 
Регистрация: 30.06.2008
Адрес: Днепропетровск
Возраст: 44
Сообщений: 1,261
Вы сказали Спасибо: 235
Поблагодарили 64 раз(а) в 47 сообщениях
Репутация: 113
Отправить сообщение для prizrak с помощью ICQ Отправить сообщение для prizrak с помощью AIM Отправить сообщение для prizrak с помощью Skype™
По умолчанию Alpine и попытка что прикалхозить.Ai-net, цифра вход-выход

Задача
№1 Заставить Alpine 9835r управлять каким-то медиаплейером по AI-net. По этой шине выходят команды управления ченжиром, их не так много но вполне хватит для медиа плеера или другой балалайки.
Распиновка AI-net шины в прикреплённом файле. Мне надо как-то заставить подумать моё ГУ что к нему подключен ченжир,а то я так подозреваю что он мне ни каких команд не выдаст пока я не заставлю думать его что у него есть ченжир.Как обмануть ГУ на предмет ченжира?
Дальше необходима определится какая форма сигнала подаётся при определённой команде с ГУ, для этого необходимо снять осциллограмму с разъёма AI-net шины, пин 2 Ground Bus,и 3 Data Bus правильно? И ещё не вкурю что за пин 1 Accessory зачем он нужен?
№2 Цифровой вход-выход реально ли?
Знаю что он есть, в Alpine CDA-9939J и Alpine CDA-9835J. Так вот что китайапонци не допаяли в Alpine CDA-9835r? Нашёл схемку 35,а вот Alpine CDA-9939J не могу найти может есть у кого? Схема на 35 прилагается может кому пригодится.
Вложения
Тип файла: pdf cable614...pdf (64.8 Кб, 3182 просмотров)
Тип файла: pdf ALPINE CDA-9835R car.pdf (2.63 Мб, 5744 просмотров)
prizrak вне форума   Ответить с цитированием Вверх
Старый 16.02.2011, 14:37   #2
SOVA
Старейшина
 
Аватар для SOVA
 
Регистрация: 21.09.2007
Адрес: Киев
Возраст: 57
Сообщений: 1,446
Вы сказали Спасибо: 128
Поблагодарили 422 раз(а) в 191 сообщениях
Репутация: 628
По умолчанию Re: Alpine и попытка что прикалхозить.Ai-net, цифра вход-выход

Не мешай много в кучу.
Пин 1 Accessory - напряжение включения (как ремоут)
Обмануть ГУ просто - ответить на команды ГУ также, как это делает чейнджер.
Нужен микропроцессор и читалка шины.
Цифровой вход-выход подключается к I2S. Внутри есть сигналы LRCK BCLK DATA
SOVA вне форума   Ответить с цитированием Вверх
Старый 16.02.2011, 14:41   #3
Arrt
Старейшина
 
Аватар для Arrt
 
Регистрация: 12.03.2007
Адрес: Киев
Возраст: 58
Сообщений: 1,367
Вы сказали Спасибо: 18
Поблагодарили 212 раз(а) в 111 сообщениях
Репутация: 347
По умолчанию Re: Alpine и попытка что прикалхозить.Ai-net, цифра вход-выход

Цитата:
Сообщение от prizrak Посмотреть сообщение
Задача
№1 Заставить Alpine 9835r управлять каким-то медиаплейером по AI-net.
Учи английский. там достаточно информации.
Вложения
Тип файла: pdf Alpine AiNet.pdf (71.9 Кб, 3416 просмотров)
Arrt вне форума   Ответить с цитированием Вверх
Старый 16.02.2011, 15:02   #4
Alexx
Старейшина
 
Аватар для Alexx
 
Регистрация: 12.03.2007
Адрес: Одесса
Возраст: 46
Сообщений: 3,101
Вы сказали Спасибо: 64
Поблагодарили 47 раз(а) в 37 сообщениях
Репутация: 220
По умолчанию Re: Alpine и попытка что прикалхозить.Ai-net, цифра вход-выход

Цитата:
Сообщение от SOVA Посмотреть сообщение
Обмануть ГУ просто
это сколько в гривне?
Alexx вне форума   Ответить с цитированием Вверх
Старый 16.02.2011, 17:24   #5
prizrak
 
Аватар для prizrak
 
Регистрация: 30.06.2008
Адрес: Днепропетровск
Возраст: 44
Сообщений: 1,261
Вы сказали Спасибо: 235
Поблагодарили 64 раз(а) в 47 сообщениях
Репутация: 113
Отправить сообщение для prizrak с помощью ICQ Отправить сообщение для prizrak с помощью AIM Отправить сообщение для prizrak с помощью Skype™
По умолчанию Re: Alpine и попытка что прикалхозить.Ai-net, цифра вход-выход

Цитата:
Сообщение от SOVA Посмотреть сообщение
Не мешай много в кучу.
Пин 1 Accessory - напряжение включения (как ремоут)
Обмануть ГУ просто - ответить на команды ГУ также, как это делает чейнджер.
Нужен микропроцессор и читалка шины.
Это очень грустно, так как очень геморно
Цитата:
Сообщение от SOVA Посмотреть сообщение
Цифровой вход-выход подключается к I2S. Внутри есть сигналы LRCK BCLK DATA
А вот это уже интересно, I2S-это как я понимаю общая шина по которой передаётся много разной инфы между несколькими процами. Состоит эта шина как я понимаю из двух проводков.
Как я понял надо найти на какие процы приходит шина I2S и уже на выводах процов искать эти сигнальный(LRCK,BCLK,DATA) ножки.
А чего обозначает LRCK=? BCLK=? DATA=примерно догадываюсь.
Мне бы проще было посмотреть схемку Alpine CDA-9939J, и задать себе вопрос-найди 5 отличий
SOVA спасибо вам, вроде и ответ короткий ну сколько много инфы в нём, Вы прям как по шине I2S послали мне ответ, вроде и коротко а попробуй пойми что вы хотели сказать. Приходится по пять раз ваш ответ перечитывать, только потом приходит прозрения
prizrak вне форума   Ответить с цитированием Вверх
Старый 16.02.2011, 18:28   #6
prizrak
 
Аватар для prizrak
 
Регистрация: 30.06.2008
Адрес: Днепропетровск
Возраст: 44
Сообщений: 1,261
Вы сказали Спасибо: 235
Поблагодарили 64 раз(а) в 47 сообщениях
Репутация: 113
Отправить сообщение для prizrak с помощью ICQ Отправить сообщение для prizrak с помощью AIM Отправить сообщение для prizrak с помощью Skype™
По умолчанию Re: Alpine и попытка что прикалхозить.Ai-net, цифра вход-выход

I2s Имеет 4 провода. И нарыл схемку типа, конвертер SPDIF - I2S на чипе CM8412, интересно если этот конвертор подключить к I2S магнитолы- что получится
Миниатюры
Нажмите на изображение для увеличения
Название: SPDIFtoI2S.gif
Просмотров: 2484
Размер:	8.0 Кб
ID:	6996  
prizrak вне форума   Ответить с цитированием Вверх
Старый 16.02.2011, 19:29   #7
Arrt
Старейшина
 
Аватар для Arrt
 
Регистрация: 12.03.2007
Адрес: Киев
Возраст: 58
Сообщений: 1,367
Вы сказали Спасибо: 18
Поблагодарили 212 раз(а) в 111 сообщениях
Репутация: 347
По умолчанию Re: Alpine и попытка что прикалхозить.Ai-net, цифра вход-выход

Цитата:
Сообщение от prizrak Посмотреть сообщение
I2s Имеет 4 провода. И нарыл схемку типа, конвертер SPDIF - I2S на чипе CM8412, интересно если этот конвертор подключить к I2S магнитолы- что получится
Учи английский Сгорит микросхема, и больше ничего не будет. Тебе нужно преобразование в обратную сторону например DIT4096.
Arrt вне форума   Ответить с цитированием Вверх
Старый 16.02.2011, 19:37   #8
prizrak
 
Аватар для prizrak
 
Регистрация: 30.06.2008
Адрес: Днепропетровск
Возраст: 44
Сообщений: 1,261
Вы сказали Спасибо: 235
Поблагодарили 64 раз(а) в 47 сообщениях
Репутация: 113
Отправить сообщение для prizrak с помощью ICQ Отправить сообщение для prizrak с помощью AIM Отправить сообщение для prizrak с помощью Skype™
По умолчанию Re: Alpine и попытка что прикалхозить.Ai-net, цифра вход-выход

Цитата:
Сообщение от Arrt Посмотреть сообщение
Учи английский Сгорит микросхема, и больше ничего не будет. Тебе нужно преобразование в обратную сторону например DIT4096.
Я уже если честно сам запутался в какую сторану, болие интересно подать цифру в башку! Так как под мои задачи ЦАПА и проца 35 хватает за глаза, и до огорода с внешним процом я не дорос. А английский он таки рулит!!!

Последний раз редактировалось prizrak; 16.02.2011 в 19:44.
prizrak вне форума   Ответить с цитированием Вверх
Старый 16.02.2011, 19:57   #9
Arrt
Старейшина
 
Аватар для Arrt
 
Регистрация: 12.03.2007
Адрес: Киев
Возраст: 58
Сообщений: 1,367
Вы сказали Спасибо: 18
Поблагодарили 212 раз(а) в 111 сообщениях
Репутация: 347
По умолчанию Re: Alpine и попытка что прикалхозить.Ai-net, цифра вход-выход

Цитата:
Сообщение от prizrak Посмотреть сообщение
Я уже если честно сам запутался в какую сторану, болие интересно подать цифру в башку! Так как под мои задачи ЦАПА и проца 35 хватает за глаза, и до огорода с внешним процом я не дорос. А английский он таки рулит!!!

На микросхеме транспорта ДСП1 она же МП3 у тебя итак уже есть S/PDIF. Если интересует только то, что даёт транспорт без радио, то никаких преобразователей не нужно. Нужно только согласование с нагрузкой (внешним ЦАПом). Это для цифрового выхода. Для входа, нужно цепляться практически туда же, но при этом нужно отключать цифровой поток от транспорта.

Последний раз редактировалось sanjk; 16.02.2011 в 22:15.
Arrt вне форума   Ответить с цитированием Вверх
Старый 16.02.2011, 20:19   #10
prizrak
 
Аватар для prizrak
 
Регистрация: 30.06.2008
Адрес: Днепропетровск
Возраст: 44
Сообщений: 1,261
Вы сказали Спасибо: 235
Поблагодарили 64 раз(а) в 47 сообщениях
Репутация: 113
Отправить сообщение для prizrak с помощью ICQ Отправить сообщение для prizrak с помощью AIM Отправить сообщение для prizrak с помощью Skype™
По умолчанию Re: Alpine и попытка что прикалхозить.Ai-net, цифра вход-выход

Цитата:
Сообщение от Arrt Посмотреть сообщение
На микросхеме транспорта ДСП1 она же МП3 у тебя итак уде есть S/PDIF. Если интересует только то, что даёт транспорт без радио, то никаких преобразователей не нужно. Нужно только согласование с нагрузкой (внешним ЦАПом). Это для цифрового выхода. Для входа, нужно цепляться практически туда же, но при этом нужно отключать цифровой поток от транспорта.
Так куда луче цепляется (Вход)? Чтобы с этого входа сигнал пошол через ЦАП,проц,кросы ГУ и вышел на линейках в готовом виде.Может кто на схеме ткнёт пальцем, где этот S/PDIF это либо 2 либо 3 провода масса, дата, +5 или 3,3 Вольта. Схема же есть. А какие проблемы отключить цифровой поток? поставить ключик какойто на кт315Г. Пусть себе отключает цифру с СД привода. в случаи появления на входе из вне оптического сигнала.

Последний раз редактировалось prizrak; 16.02.2011 в 20:30.
prizrak вне форума   Ответить с цитированием Вверх
Старый 16.02.2011, 20:22   #11
SOVA
Старейшина
 
Аватар для SOVA
 
Регистрация: 21.09.2007
Адрес: Киев
Возраст: 57
Сообщений: 1,446
Вы сказали Спасибо: 128
Поблагодарили 422 раз(а) в 191 сообщениях
Репутация: 628
По умолчанию Re: Alpine и попытка что прикалхозить.Ai-net, цифра вход-выход

Схему алпайна посмотрел по диагонали-увидел знакомые буквы и отписался. Времени на большее не было, приношу извинения.
Если есть S/PDIF, то там только релюшку поставить и пару деталей, на форуме уже была такая тема, только голова пионер, кажется. Поищи, там всё подробно автор расписал.
SOVA вне форума   Ответить с цитированием Вверх
Старый 16.02.2011, 21:22   #12
prizrak
 
Аватар для prizrak
 
Регистрация: 30.06.2008
Адрес: Днепропетровск
Возраст: 44
Сообщений: 1,261
Вы сказали Спасибо: 235
Поблагодарили 64 раз(а) в 47 сообщениях
Репутация: 113
Отправить сообщение для prizrak с помощью ICQ Отправить сообщение для prizrak с помощью AIM Отправить сообщение для prizrak с помощью Skype™
По умолчанию Re: Alpine и попытка что прикалхозить.Ai-net, цифра вход-выход

Что не кому не интересно иметь цифровой вход на ГУ? Нужна схема Alpine CDA-9939J мне тогда легче будет отделить лошадей от людей.

Последний раз редактировалось prizrak; 16.02.2011 в 22:39.
prizrak вне форума   Ответить с цитированием Вверх
Старый 16.02.2011, 23:41   #13
prizrak
 
Аватар для prizrak
 
Регистрация: 30.06.2008
Адрес: Днепропетровск
Возраст: 44
Сообщений: 1,261
Вы сказали Спасибо: 235
Поблагодарили 64 раз(а) в 47 сообщениях
Репутация: 113
Отправить сообщение для prizrak с помощью ICQ Отправить сообщение для prizrak с помощью AIM Отправить сообщение для prizrak с помощью Skype™
По умолчанию Re: Alpine и попытка что прикалхозить.Ai-net, цифра вход-выход

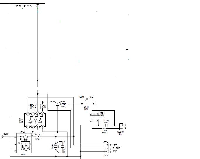
То что пока нашол, это то что на проце T1-DSP ic101 есть 74 нога обозначеная как S/PDIF вход, это или выход не пойму, проследил куда идёт эта дорожка, и выложил кусок схемки, так сказать тупик. Это чего такое? Чё за разъёмы CB940,CB941?
Миниатюры
Нажмите на изображение для увеличения
Название: Безымянный.JPG
Просмотров: 2118
Размер:	23.1 Кб
ID:	7006  

Последний раз редактировалось prizrak; 16.02.2011 в 23:53.
prizrak вне форума   Ответить с цитированием Вверх
Старый 17.02.2011, 09:51   #14
prizrak
 
Аватар для prizrak
 
Регистрация: 30.06.2008
Адрес: Днепропетровск
Возраст: 44
Сообщений: 1,261
Вы сказали Спасибо: 235
Поблагодарили 64 раз(а) в 47 сообщениях
Репутация: 113
Отправить сообщение для prizrak с помощью ICQ Отправить сообщение для prizrak с помощью AIM Отправить сообщение для prizrak с помощью Skype™
По умолчанию Re: Alpine и попытка что прикалхозить.Ai-net, цифра вход-выход

Вот нарыл подтверждения моих предположений, взято от сюда http://magnitola.org/alpine/73517-9853r-vs-9835r-2.html там в 15 посту некий товарищ КоТ утверждает "Есть одно но, у 35-го схема уже имеет разводку под оптику..." А я упёртый, если нагружу себя чемто то уже не отступаю пока стену не сломаю
prizrak вне форума   Ответить с цитированием Вверх
Старый 17.02.2011, 16:13   #15
prizrak
 
Аватар для prizrak
 
Регистрация: 30.06.2008
Адрес: Днепропетровск
Возраст: 44
Сообщений: 1,261
Вы сказали Спасибо: 235
Поблагодарили 64 раз(а) в 47 сообщениях
Репутация: 113
Отправить сообщение для prizrak с помощью ICQ Отправить сообщение для prizrak с помощью AIM Отправить сообщение для prizrak с помощью Skype™
По умолчанию Re: Alpine и попытка что прикалхозить.Ai-net, цифра вход-выход

Вот что это за разъём Digital data (SPDIF) output terminal. Так что радуемся владельцы 35х выход в цифре найден. Ура товарищи!!!
Как я понял из блок-схемы по этой цифре и радио должно играть.
Ему бы ещё вход, ну пока не придумал куда цепляться, а гуру молчат.

Последний раз редактировалось prizrak; 17.02.2011 в 16:33.
prizrak вне форума   Ответить с цитированием Вверх
Старый 20.02.2011, 11:21   #16
gamma
 
Аватар для gamma
 
Регистрация: 20.02.2010
Адрес: Киев
Сообщений: 22
Вы сказали Спасибо: 0
Поблагодарили 2 раз(а) в 2 сообщениях
Репутация: 3
По умолчанию Re: Alpine и попытка что прикалхозить.Ai-net, цифра вход-выход

Цитата:
Сообщение от Alexx Посмотреть сообщение
это сколько в гривне?
Обманка, при мелкой серии штук 10-20 уложится до 1000 в гривне
gamma вне форума   Ответить с цитированием Вверх
Старый 20.02.2011, 13:01   #17
prizrak
 
Аватар для prizrak
 
Регистрация: 30.06.2008
Адрес: Днепропетровск
Возраст: 44
Сообщений: 1,261
Вы сказали Спасибо: 235
Поблагодарили 64 раз(а) в 47 сообщениях
Репутация: 113
Отправить сообщение для prizrak с помощью ICQ Отправить сообщение для prizrak с помощью AIM Отправить сообщение для prizrak с помощью Skype™
По умолчанию Re: Alpine и попытка что прикалхозить.Ai-net, цифра вход-выход

Не могу найти тему про пионер, может она не на этом форуме была?
На DSP с 74 ноге выходит SPDIF. Вход с лазерной головки в проц по шине I2S есть это понятно, и очень плохо что нет его по SPDIF.
Так что дальше для реализации цифравого входа есть 3 пути
1. Преобразовывать SPDIF в I2S и подавать его на проц
2. Искать даташит на этот Алпайновский проц возможно в нём есть вход SPDIF. Ну я не могу найти на него даташит.
3. Снять из медиаплейера сигнал I2S и подать прямо в ГУ. Ну это уж совсем бредовая идея, она для истеных меломанов.
Какой путь выбрать?
prizrak вне форума   Ответить с цитированием Вверх
Старый 20.02.2011, 15:34   #18
Kvass
 
Аватар для Kvass
 
Регистрация: 16.03.2007
Адрес: Львів
Сообщений: 213
Вы сказали Спасибо: 4
Поблагодарили 6 раз(а) в 5 сообщениях
Репутация: 3
По умолчанию Re: Alpine и попытка что прикалхозить.Ai-net, цифра вход-выход

Я так зрозумів що оптику можна витягнути практично з любого альпайна? Чи вона буде фонкцінувати повноцінно (волюме,переключення радіо на аінет і.т.д)?

Последний раз редактировалось Kvass; 20.02.2011 в 16:14.
Kvass вне форума   Ответить с цитированием Вверх
Старый 20.02.2011, 15:44   #19
Kvass
 
Аватар для Kvass
 
Регистрация: 16.03.2007
Адрес: Львів
Сообщений: 213
Вы сказали Спасибо: 4
Поблагодарили 6 раз(а) в 5 сообщениях
Репутация: 3
По умолчанию Re: Alpine и попытка что прикалхозить.Ai-net, цифра вход-выход


http://www.turboegt.com/Audio/Car%20...al_outpu-f.htm
Типу так?

Последний раз редактировалось Kvass; 20.02.2011 в 15:56.
Kvass вне форума   Ответить с цитированием Вверх
Старый 20.02.2011, 16:10   #20
Arrt
Старейшина
 
Аватар для Arrt
 
Регистрация: 12.03.2007
Адрес: Киев
Возраст: 58
Сообщений: 1,367
Вы сказали Спасибо: 18
Поблагодарили 212 раз(а) в 111 сообщениях
Репутация: 347
По умолчанию Re: Alpine и попытка что прикалхозить.Ai-net, цифра вход-выход

Цитата:
Сообщение от Kvass Посмотреть сообщение
http://www.turboegt.com/Audio/Car%20...al_outpu-f.htm
Типу так?
Это вывод S/PDiF из транспорта, как следствие радио не будет работать.

У самого ДСП есть выходы в формате I2S, но:

1) могут быть не активны, зависит от прошивки
2) выходы уже с фильтрами и задержками, т.е. если проц. используется полноценно, то нужно выводить все три выхода.
Arrt вне форума   Ответить с цитированием Вверх
Ответ


Здесь присутствуют: 1 (пользователей: 0 , гостей: 1)
 

Ваши права в разделе
Вы не можете создавать новые темы
Вы не можете отвечать в темах
Вы не можете прикреплять вложения
Вы не можете редактировать свои сообщения

BB коды Вкл.
Смайлы Вкл.
[IMG] код Вкл.
HTML код Выкл.

Быстрый переход

Похожие темы
Тема Автор Раздел Ответов Последнее сообщение
кто может пределать отпический выход alpine iva505 под разьем toslink? mualse Практические уроки, технологии и материалы 6 02.02.2012 20:36
Spdif выход в Alpine серии X Pixx Практика по SQ 0 27.09.2011 14:23
(провода/межблоки) Продам оптику выход Тослинк > вход Пионер (подробности внутри) DM101 Аксессуары, кроссоверы и прочее... 28 17.02.2011 21:09
адаптер DIETZ 902, STINGER, PIT высокочастотный вход-низкочастотный выход на усилитель Serg Teplyuk Куплю 7 29.04.2010 12:55
"Туда-сюда обратно" (с) Аналог-цифра, цифра-аналог Sergey12S Избранное - азы автозвука 0 13.03.2007 13:37


Текущее время: 18:32. Часовой пояс GMT +2.


Перевод: zCarot
autozvuk.org ©