Всё об автозвуке

Вернуться   Всё об автозвуке > Высшая лига Sound Quality (натуральный и красивый звук) > Практика по SQ
Регистрация Новые сообщения Правила форума Справка Сообщество Календарь Поиск

Важная информация

Практика по SQ Головные устройства, акустика, кроссоверы, процессоры и много-много других страшных слов

Ответ
 
Опции темы Опции просмотра
Старый 14.04.2010, 10:40   #1
SOVA
Старейшина
 
Аватар для SOVA
 
Регистрация: 21.09.2007
Адрес: Киев
Возраст: 57
Сообщений: 1,446
Вы сказали Спасибо: 128
Поблагодарили 422 раз(а) в 191 сообщениях
Репутация: 628
По умолчанию Развязка для ремоута

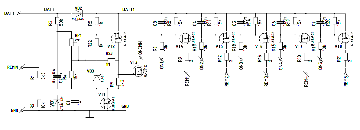
Вот понадобилась схема развязки провода Remote в автомобиль, которая позволяет подключить несколько усилителей, маломощную индикацию или подсветку, небольшие вентиляторы. И чтобы этот блок следил за напряжением аккумулятора, на давая разрядиться, да ещё и можно было выключать всё по отдельности.
Придумал схему:
Нажмите на изображение для увеличения
Название: Пример7.GIF
Просмотров: 3610
Размер:	16.4 Кб
ID:	1611
Параметры следующие:
Напряжение включения - 12,3 В
Напряжение выключения - 11,5 В (регулируется подстроечником)
Входное сопротивление провода Remote - 3,3 кОм
Количество выходов - 5
Ток нагрузки по каждому из выходов - 0,2 А
Задержка включения - 10 сек.

Схема подключается тремя проводами:
- Масса (GND)
- Аккумулятор (BATT)
- вход Remote (на схеме REMIN)

Между общим выходом ONCMN и входами ON1...ON5 ставим выключатели потребителей.

Выходы REM1...REM5 подключаются к нагрузкам
Позже подключил светодиод индикации (на схеме не показан) между плюсом и выходом ONCMN.
Плата собрана в корпусе размерами 55*65*15мм
SOVA вне форума   Ответить с цитированием Вверх
Старый 14.04.2010, 11:24   #2
Alexx
Старейшина
 
Аватар для Alexx
 
Регистрация: 12.03.2007
Адрес: Одесса
Возраст: 46
Сообщений: 3,101
Вы сказали Спасибо: 64
Поблагодарили 47 раз(а) в 37 сообщениях
Репутация: 220
По умолчанию

А это внешняя сторона данного проекта - промежуточная версия - финал как-нить потом
Миниатюры
Нажмите на изображение для увеличения
Название: 11.jpg
Просмотров: 2930
Размер:	40.2 Кб
ID:	1613  
Alexx вне форума   Ответить с цитированием Вверх
Старый 14.04.2010, 15:12   #3
SOVA
Старейшина
 
Аватар для SOVA
 
Регистрация: 21.09.2007
Адрес: Киев
Возраст: 57
Сообщений: 1,446
Вы сказали Спасибо: 128
Поблагодарили 422 раз(а) в 191 сообщениях
Репутация: 628
По умолчанию

А что за дуги такие хитрые? На фотке плохо видно. По краям омедненная трубка, а в центре - хром или стекло?
SOVA вне форума   Ответить с цитированием Вверх
Старый 14.04.2010, 15:19   #4
Alexx
Старейшина
 
Аватар для Alexx
 
Регистрация: 12.03.2007
Адрес: Одесса
Возраст: 46
Сообщений: 3,101
Вы сказали Спасибо: 64
Поблагодарили 47 раз(а) в 37 сообщениях
Репутация: 220
По умолчанию

Цитата:
Сообщение от SOVA Посмотреть сообщение
А что за дуги такие хитрые? На фотке плохо видно. По краям омедненная трубка, а в центре - хром или стекло?
стекло. Дуги - индикаторы. Почему 4ре - так надо
Alexx вне форума   Ответить с цитированием Вверх
Старый 13.05.2012, 14:06   #5
SOVA
Старейшина
 
Аватар для SOVA
 
Регистрация: 21.09.2007
Адрес: Киев
Возраст: 57
Сообщений: 1,446
Вы сказали Спасибо: 128
Поблагодарили 422 раз(а) в 191 сообщениях
Репутация: 628
По умолчанию Re: Развязка для ремоута

По просьбе заинтересованных товарищей немного позанимался платкой развязки. Переразвёл с более толстыми проводниками и залил полигоном. Также применил СМД стабилитрон TL431.
В общем, всё видно на фото. Плата размером 60х50 мм.


SOVA вне форума   Ответить с цитированием Вверх
Старый 14.05.2012, 23:55   #6
Каток
Старейшина
 
Аватар для Каток
 
Регистрация: 16.03.2009
Адрес: Киев
Сообщений: 2,301
Вы сказали Спасибо: 306
Поблагодарили 565 раз(а) в 236 сообщениях
Репутация: 1023
По умолчанию Re: Развязка для ремоута

Полезный девайс.
Можно на поток ставить...
Каток вне форума   Ответить с цитированием Вверх
Старый 14.05.2012, 23:47   #7
prizrak
 
Аватар для prizrak
 
Регистрация: 30.06.2008
Адрес: Днепропетровск
Возраст: 44
Сообщений: 1,261
Вы сказали Спасибо: 235
Поблагодарили 64 раз(а) в 47 сообщениях
Репутация: 113
Отправить сообщение для prizrak с помощью ICQ Отправить сообщение для prizrak с помощью AIM Отправить сообщение для prizrak с помощью Skype™
По умолчанию Re: Развязка для ремоута

Цитата:
Сообщение от SOVA Посмотреть сообщение
Придумал схему
Ну и где она?
Интересно узнать, как этот блок следит за напряжением аккумулятора. В смысле как это реализовано в схеме? Для общего развития так сказать.

Последний раз редактировалось prizrak; 15.05.2012 в 07:58.
prizrak вне форума   Ответить с цитированием Вверх
Ответ


Здесь присутствуют: 1 (пользователей: 0 , гостей: 1)
 

Ваши права в разделе
Вы не можете создавать новые темы
Вы не можете отвечать в темах
Вы не можете прикреплять вложения
Вы не можете редактировать свои сообщения

BB коды Вкл.
Смайлы Вкл.
[IMG] код Вкл.
HTML код Выкл.

Быстрый переход

Похожие темы
Тема Автор Раздел Ответов Последнее сообщение
отключение ремоута муравей Бюджетный автозвук и песочница. 21 18.10.2012 19:31
Прокладка ремоута. Lom4ik Бюджетный автозвук и песочница. 12 22.08.2012 22:29
Усилитель без ремоута??? как так? b_andriy Бюджетный автозвук и песочница. 5 18.09.2011 22:19
Развязка для ремоута SOVA Избранное - практика 0 14.04.2010 10:40


Текущее время: 16:18. Часовой пояс GMT +2.


Перевод: zCarot
autozvuk.org ©