Всё об автозвуке

Вернуться   Всё об автозвуке > Новичкам > Бюджетный автозвук и песочница.
Регистрация Новые сообщения Правила форума Справка Сообщество Календарь Поиск

Важная информация

Бюджетный автозвук и песочница. Раздел для новичков и тех, кто хочет пострроить простенькую аудиосистему с минимальными затратами.

Ответ
 
Опции темы Опции просмотра
Старый 04.01.2021, 18:14   #1
mmdd
Под колпаком ЦРУ
 
Аватар для mmdd
 
Регистрация: 14.12.2020
Адрес: Сумы
Сообщений: 4
Вы сказали Спасибо: 0
Поблагодарили 0 раз(а) в 0 сообщениях
Репутация: 0
Question Маленькая, попытка, прокачки звука штатки prado 120

Всем привет!

Легенда: Имеется штатная акустика прадо 120, по качеству звука всё устраивало, но не хватало низов, а так же на заднем ряду тихо играла музыка так как там стоят, как я понимаю, только сч-динамик (баса от них почти 0 и высоких так же), спереди же всё отлично играет, компонентка с вч-динамиком и овалом, но как и говорил не хватало низов. Купил нч-динамик rokford r2d4-12 rms 250watt (покупал с запасом вдруг захочется усиления акустики), сделал зя по расчетам из инструкции, кинул провода, преобразователь от штатки mystery mad hl (как понимаю он плохой, но вполне устроил для саба) к усилителю (наследие родной ваз 2109) blaupunkt gta-250 номинальная 160 макс 400 watt так пишут, настроил усь, стоит на пол мощности - мне с головой этого хватает, так как как раз получил то количество и качество низов которое хотел и кстати звук на заднем ряду теперь кажется обьемней и громче.

Суть вопроса: Но теперь хочется ещё немножко громкости и штатная акустика вполне может ещё дать больше сч и вч частот, но штатные динамики не вывозят нч на высокой "громкости" и поэтому у меня появилось желание полностью срезать нч с них и добавить пищалки на задний ряд. Исходя из этого вопрос как лучше это всё устроить, какие фильры выбрать и т.д. и как вообще лучше сделать?
Мои мысли: всё банально и просто - купить фильтры СЧ для овалов спереди, сзади кругляки походу играют только сч и с ними всё хорошо. С передними вч-динамиками всё хорошо, просто дополнительно установлю пищалки в задние двери, для них выход есть, вот думаю ставить ли фильтр вч для них или нет.
На форуме 100% люди умнее меня по автозвуку и поэтому сразу я пришел за советом к вам уважаемые знатоки.

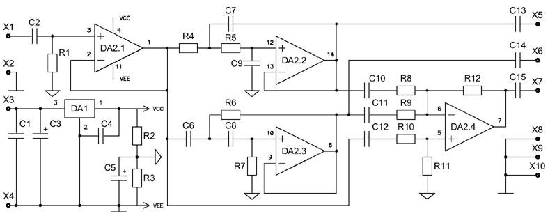
Прикрепил фото доступного универсального 3-х полосного активного фильтра.
Миниатюры
Нажмите на изображение для увеличения
Название: 18044042.jpg
Просмотров: 791
Размер:	33.9 Кб
ID:	76584  
mmdd вне форума   Ответить с цитированием Вверх
Старый 04.01.2021, 20:53   #2
Энтерпасворд
 
Аватар для Энтерпасворд
 
Регистрация: 25.05.2009
Адрес: Донецк-Днепр
Возраст: 45
Сообщений: 1,501
Вы сказали Спасибо: 135
Поблагодарили 23 раз(а) в 14 сообщениях
Репутация: 331
Отправить сообщение для Энтерпасворд с помощью Skype™
По умолчанию Re: Маленькая, попытка, прокачки звука штатки prado 120

Поедьте к нормальным установщикам. Заплатите денег и радуйтесь результату.
Энтерпасворд вне форума   Ответить с цитированием Вверх
Старый 04.01.2021, 22:06   #3
mmdd
Под колпаком ЦРУ
 
Аватар для mmdd
 
Регистрация: 14.12.2020
Адрес: Сумы
Сообщений: 4
Вы сказали Спасибо: 0
Поблагодарили 0 раз(а) в 0 сообщениях
Репутация: 0
Exclamation Re: Маленькая, попытка, прокачки звука штатки prado 120

Цитата:
Сообщение от Энтерпасворд Посмотреть сообщение
Поедьте к нормальным установщикам. Заплатите денег и радуйтесь результату.
Таких советов не надо. Спасибо!
mmdd вне форума   Ответить с цитированием Вверх
Старый 04.01.2021, 23:21   #4
prizrak
 
Аватар для prizrak
 
Регистрация: 30.06.2008
Адрес: Днепропетровск
Возраст: 44
Сообщений: 1,261
Вы сказали Спасибо: 235
Поблагодарили 64 раз(а) в 47 сообщениях
Репутация: 113
Отправить сообщение для prizrak с помощью ICQ Отправить сообщение для prizrak с помощью AIM Отправить сообщение для prizrak с помощью Skype™
По умолчанию Re: Маленькая, попытка, прокачки звука штатки prado 120

Много движений а результат как то не получается, это у всех так по неопытности. Люди с этого форума годами воюют с одной парой динамиков (неважно мид или вч) и то результат не всегда устраивает по 100раз переделывается инстал, согласуются миды с вч и с сабом строится сцена..... А у Вас как-то всё просто пошло аж интересно, состав системы компонентка с вч-динамиком и овалом (походу овал один) +саб. И последний вопрос по поводу срезать нч диапазон с задней штатной акустики, как вы вырозились"невывозят".
В одном посту не описать та и нагрубить не хочу, как бы это помягче сказать. Кардинально не здоровый подход к построению системы что ли.

Последний раз редактировалось prizrak; 04.01.2021 в 23:24.
prizrak вне форума   Ответить с цитированием Вверх
Старый 05.01.2021, 00:04   #5
mmdd
Под колпаком ЦРУ
 
Аватар для mmdd
 
Регистрация: 14.12.2020
Адрес: Сумы
Сообщений: 4
Вы сказали Спасибо: 0
Поблагодарили 0 раз(а) в 0 сообщениях
Репутация: 0
Unhappy Re: Маленькая, попытка, прокачки звука штатки prado 120

Извините за возможную не ясность изложения сути потребности. Но в заголовке написано "маленькая, попытка...", здесь не строится идеальная акустическая система с решением всех сложностей этого вопроса... а делается попытка улучшить то, что есть.
Просто хочу полностью срезать низкие частоты с штатной акустики, ведь за наличие нч уже отвечает саб, и добавить вч-динамики в задние двери так как вч сзади не хватает - это мои мысли, не требования, а мысли как добавить, то чего не требовательной душе немного не хватает. Пришел на форум что бы добрые люди дали совет, как это лучше сделать, с какими фильтрами и стоит ли.
В наличии в передних дверях (фронт) по вч-динамику и по нч-динамику (но по идее воспроизводит и сч, по этой причине я и написал "овал" так как не знаю как правильно выразится в его сторону) в каждой двери (не один овал), в задних (тыл) же дверях как я предполагаю, установлены только сч-динамики (круглые) так как по слуху от них нет ярко выраженных вч и нч, в пару к ним, сч-динамикам, в задних дверях, хочу добавить вч-динамики, так как для вч-динамиков есть штатный выход, в задних дверях. Низкие частоты "в дверях" не нужны так как есть саб. И, штатные динамики вполне в состоянии воспроизводить более "громко" вч и сч, но при усилении громкости они разрываются от баса, голос чистый, но из-за нч они, так называемые "овалы" начинают "шуметь" из-за некачественного баса на высокой громкости - по этой причине и появилась мысль срезать нч с штатной акустики и оставить их (нч) только на сабе, но как это лучше сделать и стоит ли - не знаю.
Как и говорил, решил делать всё банально и просто, добавить в цепи акустики частотных фильтров, пока думаю каких, активных или пассивных - планы не сложнее чем может казаться. Но явно здесь 100% люди умнее и знают в автозвуке больше меня, поэтому я пришел сюда, спросить совета, простого совета исходя из конкретной ситуации - "маленькой, не требовательной, попытки улучшить штатный звук..."
mmdd вне форума   Ответить с цитированием Вверх
Старый 05.01.2021, 15:51   #6
romzas
 
Аватар для romzas
 
Регистрация: 08.02.2011
Адрес: Киев
Возраст: 44
Сообщений: 751
Вы сказали Спасибо: 8
Поблагодарили 1 раз в 1 сообщении
Репутация: 221
Отправить сообщение для romzas с помощью ICQ
По умолчанию Re: Маленькая, попытка, прокачки звука штатки prado 120

mmdd, Приветствую! Про саб-усилитель написали, а про ГУ (магнитола в простонародье) ни слова. Она совсем штатная и нет никаких настроек по поводу подрезки динамиков снизу?

Цитата
Сообщение от mmdd Посмотреть сообщение
просто дополнительно установлю пищалки в задние двери, для них выход есть, вот думаю ставить ли фильтр вч для них или нет.
Любым вч нужен фильтр, или они очень быстро сгорят) на фронтальных вч скорее всего весят кондерчики в качестве фильтра. Пищалочки будете брать так понимаю недорогие, аля с радиорынка, абы цыкали, там же возьмите и пару кондеров к ним.
romzas вне форума   Ответить с цитированием Вверх
Старый 05.01.2021, 16:54   #7
Serg_DCS
 
Аватар для Serg_DCS
 
Регистрация: 10.04.2010
Адрес: Днiпро
Сообщений: 470
Вы сказали Спасибо: 0
Поблагодарили 17 раз(а) в 10 сообщениях
Репутация: 109
По умолчанию Re: Маленькая, попытка, прокачки звука штатки prado 120

Прочитал. Улыбнуся. Как много впереди граблей......

По сути.....Первый вопрос..... двушка или трёшка спереди?
Если двушка....Берём недорогой(можно б.у.) 4-х канальный усилитель. Подключаем его по силе к передней акустике....(Если г.у. штатное) А ,чуть незабыл. Ещё нужно обесшумить двери...(иначе при большой громкости будет плохо) и подключаем к нему всю переднюю и заднюю акустику....можно прямо за бошкой...чтобы в двери не тянуть провода....и громкость будет и HPF .....
И ГЕМСЕЛЫТЬ будет очень весело...Удачи.. это кстати вариант с предсказумым результатом...
И кстати пищалки в задних дверях на штатной акустике есть,там коаксиал....захочется, потом можно добавить в задние двери пищ, через конденсатор....но это совсем другая история.......... и не соотвествует канонам построения качественного звука в автомобиле.....как собственно.... и задняя акустика...

Последний раз редактировалось Serg_DCS; 05.01.2021 в 17:09.
Serg_DCS вне форума   Ответить с цитированием Вверх
Старый 05.01.2021, 19:09   #8
prizrak
 
Аватар для prizrak
 
Регистрация: 30.06.2008
Адрес: Днепропетровск
Возраст: 44
Сообщений: 1,261
Вы сказали Спасибо: 235
Поблагодарили 64 раз(а) в 47 сообщениях
Репутация: 113
Отправить сообщение для prizrak с помощью ICQ Отправить сообщение для prizrak с помощью AIM Отправить сообщение для prizrak с помощью Skype™
По умолчанию Re: Маленькая, попытка, прокачки звука штатки prado 120

Усилитель + шумка передних дверей сосредоточьтесь здесь. Заднею акустику пока оставите в покое, потом поймёте почему.
prizrak вне форума   Ответить с цитированием Вверх
Старый 05.01.2021, 23:10   #9
mmdd
Под колпаком ЦРУ
 
Аватар для mmdd
 
Регистрация: 14.12.2020
Адрес: Сумы
Сообщений: 4
Вы сказали Спасибо: 0
Поблагодарили 0 раз(а) в 0 сообщениях
Репутация: 0
Question Re: Маленькая, попытка, прокачки звука штатки prado 120

Цитата:
Сообщение от Serg_DCS Посмотреть сообщение
Прочитал. Улыбнуся. Как много впереди граблей......

По сути.....Первый вопрос..... двушка или трёшка спереди?
Если двушка....Берём недорогой(можно б.у.) 4-х канальный усилитель. Подключаем его по силе к передней акустике....(Если г.у. штатное) А ,чуть незабыл. Ещё нужно обесшумить двери...(иначе при большой громкости будет плохо) и подключаем к нему всю переднюю и заднюю акустику....можно прямо за бошкой...чтобы в двери не тянуть провода....и громкость будет и HPF .....
И ГЕМСЕЛЫТЬ будет очень весело...Удачи.. это кстати вариант с предсказумым результатом...
И кстати пищалки в задних дверях на штатной акустике есть,там коаксиал....захочется, потом можно добавить в задние двери пищ, через конденсатор....но это совсем другая история.......... и не соотвествует канонам построения качественного звука в автомобиле.....как собственно.... и задняя акустика...
О шумке знаем, но спасибо! Спереди как и писал - по два динамика, "пищалка и овал" раздельно в каждой двери. Сзади по одному "круглому" думаю что он только под сч заточен, так решил исходя из слуховых ощущений, верхов и низов от них не слышно, но без них общий звук тише кажется даже спереди.

О 4-х канальном усилителе тоже думал, но на будущее, пока думаю, а стоит ли ведь вполне и этого достаточно но из того что есть можно ещё взять больше сч и вч без усилителя. ШТАТНАЯ АКУСТИКА ВПОЛНЕ СПОСОБНА "ГРОМЧЕ" отыграть сч и вч, но не в состоянии качественно отыграть нч, на большей громкости их разрывает от баса, но голос играется чистый, по этому я хочу полностью срезать низы с штатки, но не знаю как лучше это сделать.

ГУ прям штатка штатная под CD и кассеты и для того что бы поставить себе САБ припаял к штатным выходам на динамики преобразователь сигнала с выходом на тюльпаны, по этому срезать бас через гу не получится как я понимаю, ведь тогда он будет резаться и на саб так как тот получает сигнал от преобразователя который в свою очередь от выхода на штатный динамик.

Был старый усилитель 2-х полосный к нему купил нч динамик, порезал дома всю фанеру и с этого слепыл саб, довольный как ребенок, по качеству и количеству низов устроил с головой!

Так же после установки саба в багажник, а он одно целое с салоном, без перегородки, звук сзади стал намного громче, но высоких по прежнему не хватает по этой причине и хочу добавить вч-динамики в задние двери, как уже сказали через конденсатор это понял, есть пищалки от mystery mj-650 только пищалки, "распределителя" на нч и вч динамики не осталось как понимаю там и был заветный конденсатор, поэтому подскажите, пожалуйста, какой емкости брать конденсатор.

И теперь самый главный вопрос как правильно срезать нч и вч с так называемых мной "овалов" и "кругляков"? В интернете нашел в продаже активный фильтр, схему его прикрепил к теме.
mmdd вне форума   Ответить с цитированием Вверх
Старый 06.01.2021, 08:18   #10
Serg_DCS
 
Аватар для Serg_DCS
 
Регистрация: 10.04.2010
Адрес: Днiпро
Сообщений: 470
Вы сказали Спасибо: 0
Поблагодарили 17 раз(а) в 10 сообщениях
Репутация: 109
По умолчанию Re: Маленькая, попытка, прокачки звука штатки prado 120

Цитата
Сообщение от mmdd Посмотреть сообщение

И теперь самый главный вопрос как правильно срезать нч и вч с так называемых мной "овалов" и "кругляков"? В интернете нашел в продаже активный фильтр, схему его прикрепил к теме.
Купить в инете за тысячу грн усилитель с HPF фильтром и срезать.....Ибо детальки для фильтра будут стоить дороже. Судьбу не обманешь.....
Как подключить усь к магнитоле Вы уже знаете. Кстати усилитель на саб подключили к передней акустике? С магнитолы на заднюю акустику низ отрезан герц так этак на 200...

Добавлено через 8 минут
https://www.drive2.ru/communities/40.../forum/1919679 Это для примера....Вы не первый с этими граблями, и не последний....Не всё там верно....НО ЭТО О ТОМ ПУТИ ПО КОТОРОМУ ВЫ ХОТИТЕ ИДТИ....Чтобы сделать так как Вам представляется..... необходимо изучить теорию построения фильтров...В народе кроссоверов... Короче, усилитель и будет счастье....
И ещё...из людей изучивших вышеуказанную теорию..... подарка... в виде готового решения, как бы вы не задавали вопрос.... никто не сделает.

Последний раз редактировалось Serg_DCS; 06.01.2021 в 08:45. Причина: Добавлено сообщение
Serg_DCS вне форума   Ответить с цитированием Вверх
Старый 06.01.2021, 21:56   #11
Энтерпасворд
 
Аватар для Энтерпасворд
 
Регистрация: 25.05.2009
Адрес: Донецк-Днепр
Возраст: 45
Сообщений: 1,501
Вы сказали Спасибо: 135
Поблагодарили 23 раз(а) в 14 сообщениях
Репутация: 331
Отправить сообщение для Энтерпасворд с помощью Skype™
По умолчанию Re: Маленькая, попытка, прокачки звука штатки prado 120

Цитата
Сообщение от mmdd Посмотреть сообщение
Таких советов не надо. Спасибо!
Вы затронули тему, причем достаточно сложную для большинства здесь, в которой абсолютно ничего не понимаете, иначе этой темы не было бы тут. Или же это просто стеб.

Ну ок. Давайте другой совет.
Фильтруйте снизу динамики на той частоте которой вы хотите.
Схем фильтров в интернете как грязи. Второй порядок снизу, третий, четвертый....Частоту выбирайте на слух. Обычно он помогает
Не подходит? Ничего не понятно? Ну ок.
Можете воспользоваться вариантом "фильтруй на 150Гц" или на 120 или на 110 , а может на 100....например. 99 как вариант....
Итог: Баса нет, ваши овалы вздохнули от перенапряжения, сказали: спасибо хозяин, избавил нас от той функции, которую инженеры тойоты в нас возложили.... Будем теперь только низко пищать
Ок, овалы стали громче, меньше срут, процентов на 5, да от штатки. а не смущает что искажения вносит ваше гу ? Не? А кто мидбасовый диапазон будет играть? 60-100 Гц. Кто? Ваш саб? не смешите
На какой ТОЧНО частоте вам их фильтровать НИКТО!!!! именно в вашем авто с вашей акустикой БЕЗ измерительной аппаратуры никогда не скажет. Это невозможно. Это законы физики. Это как спросить с какого этажа прыгать чтобы не разбиться

Можно среднестатистически сказать миды снизу, например, на 65Гц/3 порядок..... а может и подругому, а может еще как... А на какую частоту они выйдут с учетом вашего салона? Можете сказать? А резонансну ваших динамиков скажете? и параметры Т-С ? И объем дверей где они стоят?
Есть активные кроссоверы, встроенные кроссоверы усилителей, есть процессоры или процеусилители.. И настройка. Это самое главное (помимо установки) Длительная настройка.И не за один день. С тестовыми дисками и ОЧЕНЬ желательно с измерительной аппаратурой. Все зависит от вашего бюджета который вы готовы потратить. С этого нужно начинать...и с этого начинают все установщики.

Готовы сделать кроссоверы сами? Уверены? Именно под вашу акустику и ваш авто и под те места где они стоят? - лучше (и дешевле) поедьте к установщикам

З.Ы. Дорого к установщикам или хотите сами - ок., грабли ваши , личные
Фильтруйте на 100Гц снизу динамики, баса не будет, орать будут сильнее...все как вы хотите...если конечно в вашем авто искажения распространяются только на низкочастотный диапазон с увеличением громкости
З.Ы.Ы. Каждый должен заниматься тем делом в котором он понимает что делать. Рекомендую прислушаться к моему первому посту в Вашей теме.

Последний раз редактировалось Энтерпасворд; 06.01.2021 в 22:30.
Энтерпасворд вне форума   Ответить с цитированием Вверх
Ответ


Здесь присутствуют: 1 (пользователей: 0 , гостей: 1)
 

Ваши права в разделе
Вы не можете создавать новые темы
Вы не можете отвечать в темах
Вы не можете прикреплять вложения
Вы не можете редактировать свои сообщения

BB коды Вкл.
Смайлы Вкл.
[IMG] код Вкл.
HTML код Выкл.

Быстрый переход

Похожие темы
Тема Автор Раздел Ответов Последнее сообщение
Почему у новых сабов от Пионера такая маленькая чуйка? Classique Бюджетный автозвук и песочница. 5 22.01.2020 20:31
Доработка штатки BMW E46 harman/kardon Maxwheller Бюджетный автозвук и песочница. 8 31.01.2018 21:54
Кто поможет достать цифру из штатки? MCuk Услуги 2 13.07.2015 16:04
2 дина Штатки Чери Тиго Rost Автомагнитолы и автомультимедия 1 10.01.2013 17:55
Моя маленькая таврия (та что была Пасечникова) Славочка Свои инсталляции SQ 6 14.04.2012 20:16


Текущее время: 22:56. Часовой пояс GMT +2.


Перевод: zCarot
autozvuk.org ©