Всё об автозвуке

Вернуться   Всё об автозвуке > Высшая лига Sound Quality (натуральный и красивый звук) > Практические уроки, технологии и материалы

Важная информация

Практические уроки, технологии и материалы Об изготовлении и оформлении автозвуковых компонентов.

Ответ
 
Опции темы Опции просмотра
Старый 04.12.2011, 14:28   #1
belyakov_e
 
Аватар для belyakov_e
 
Регистрация: 30.08.2011
Адрес: Киев
Возраст: 39
Сообщений: 93
Вы сказали Спасибо: 18
Поблагодарили 18 раз(а) в 5 сообщениях
Репутация: 19
По умолчанию Ремонт Genesis Profile Two

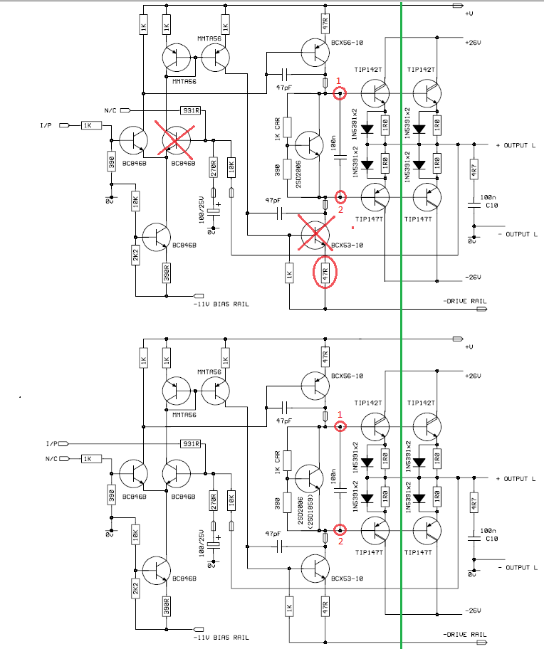
Сгорел у меня Genesis Profile Two, о чем я писал в этой теме.
Сгорел Genesis Profile Two

В общем решил я сам посмотреть что с ним случилось. Я специалист не большой, но кое-какие знания есть.

Первое что обнаружилось - пробитый силовой транзистор (B1647) в одном канале. После замены усилитель ожил, но на выходе канала который сгорел оказалось примерно 1 В постоянного напряжения.

Дальнейший осмотр показал, что сгорели еще 2 транзистора в том канале. И один резистор там же стал примерно 600 Ом вместо положеных 47 Ом . Они показаны на прикрепленной схеме (Это схема Genesis Stereo 60, но все, что слева от зеленой линии - идентичное в Profile Two). В таком сотоянии в точках 1 и 2 на схеме было 0.8 и 0.2 В, а на исправном канале 1.1 и 1.1 В (т. е.) одинаково.

После замены транзисторов и резистора (заменил на 51 Ом - ближайшее что было под рукой) получилось следующее:
В точках 1 и 2 в ремонтируемом канале стало по 0.86 В, в исправном канале осталось по 1.1 В. На выходе усилителя в исправном канале 0.03В, на выходе ремонтируемого 0.06В.

На слух вроде оба канала работают нормально.

Интересно нормальна ли такая разница в каналах в точках 1 и 2 (выход предоконечного каскада или что это такое...)? На сколько я понял, каналы включены по разному (в разные точки подается вход), поэтому предполагаю что это может быть нормальным.

И интересно насколько критично присутствие такого постоянного на выходе и почему оно может быть разным.

Буду очень признателен если кто-нибудь мне объяснит нормально ли это все и что я еще мог упустить. Спасибо.
Миниатюры
Нажмите на изображение для увеличения
Название: genesis.png
Просмотров: 3206
Размер:	89.9 Кб
ID:	12634  
belyakov_e вне форума   Ответить с цитированием Вверх
Старый 04.12.2011, 15:03   #2
Lukasarts
Ушел в мир иной от нас...
 
Аватар для Lukasarts
 
Регистрация: 04.09.2011
Адрес: Город-герой Донецк
Сообщений: 1,484
Вы сказали Спасибо: 2
Поблагодарили 105 раз(а) в 57 сообщениях
Репутация: 491
По умолчанию Re: Ремонт Genesis Profile Two

Цитата:
Сообщение от belyakov_e Посмотреть сообщение
Сгорел у меня Genesis Profile Two, о чем я писал в этой теме.
Сгорел Genesis Profile Two

В общем решил я сам посмотреть что с ним случилось. Я специалист не большой, но кое-какие знания есть.

Первое что обнаружилось - пробитый силовой транзистор (B1647) в одном канале. После замены усилитель ожил, но на выходе канала который сгорел оказалось примерно 1 В постоянного напряжения.

Дальнейший осмотр показал, что сгорели еще 2 транзистора в том канале. И один резистор там же стал примерно 600 Ом вместо положеных 47 Ом . Они показаны на прикрепленной схеме (Это схема Genesis Stereo 60, но все, что слева от зеленой линии - идентичное в Profile Two). В таком сотоянии в точках 1 и 2 на схеме было 0.8 и 0.2 В, а на исправном канале 1.1 и 1.1 В (т. е.) одинаково.

После замены транзисторов и резистора (заменил на 51 Ом - ближайшее что было под рукой) получилось следующее:
В точках 1 и 2 в ремонтируемом канале стало по 0.86 В, в исправном канале осталось по 1.1 В. На выходе усилителя в исправном канале 0.03В, на выходе ремонтируемого 0.06В.

На слух вроде оба канала работают нормально.

Интересно нормальна ли такая разница в каналах в точках 1 и 2 (выход предоконечного каскада или что это такое...)? На сколько я понял, каналы включены по разному (в разные точки подается вход), поэтому предполагаю что это может быть нормальным.

И интересно насколько критично присутствие такого постоянного на выходе и почему оно может быть разным.

Буду очень признателен если кто-нибудь мне объяснит нормально ли это все и что я еще мог упустить. Спасибо.
спиши на погрешность прибора - а в общей картине все ТИП ТОП !
Lukasarts вне форума   Ответить с цитированием Вверх
Старый 01.02.2012, 18:44   #3
belyakov_e
 
Аватар для belyakov_e
 
Регистрация: 30.08.2011
Адрес: Киев
Возраст: 39
Сообщений: 93
Вы сказали Спасибо: 18
Поблагодарили 18 раз(а) в 5 сообщениях
Репутация: 19
По умолчанию Re: Ремонт Genesis Profile Two

Сегодня снова сгорел. Держу в руках сгоревший предохранитель и не хочу ставить новый, так как в прошлый раз после такой манипуляции из него пошел дым. Видно не до конца починил прошлый раз, наверное тот перекос все таки что-то значил.

Кстати на фотографии в первом посте зеленая линия чуть не там. Она сразу за точками 1 и 2 должна быть.

Не подскажете, кто в Киеве может взяться за ремонт этого усилка и сколько примерно это обойдется?
belyakov_e вне форума   Ответить с цитированием Вверх
Старый 01.02.2012, 19:15   #4
SOVA
Старейшина
 
Аватар для SOVA
 
Регистрация: 21.09.2007
Адрес: Киев
Возраст: 57
Сообщений: 1,446
Вы сказали Спасибо: 128
Поблагодарили 422 раз(а) в 191 сообщениях
Репутация: 628
По умолчанию Re: Ремонт Genesis Profile Two

Привози, посмотрю и верну всё в заводское состояние. Измерения и прогонка обязательны.
Телефон в профиле.
SOVA вне форума   Ответить с цитированием Вверх
Ответ


Здесь присутствуют: 1 (пользователей: 0 , гостей: 1)
 
Опции темы
Опции просмотра

Ваши права в разделе
Вы не можете создавать новые темы
Вы не можете отвечать в темах
Вы не можете прикреплять вложения
Вы не можете редактировать свои сообщения

BB коды Вкл.
Смайлы Вкл.
[IMG] код Вкл.
HTML код Выкл.

Быстрый переход

Похожие темы
Тема Автор Раздел Ответов Последнее сообщение
(2 канальный) Genesis profile two ttearjerker Усилители 9 07.02.2013 03:08
(2 канальный) GENESIS Profile Two Dragon Усилители 6 03.01.2013 19:38
(2 канальный) GENESIS Profile Two MCuk Усилители 29 01.11.2012 16:37
(2 канальный) Genesis DM200 і Genesis profile two ttearjerker Усилители 14 29.01.2012 16:40
(усилитель) Genesis Profile Four frion666 Куплю 2 10.01.2012 18:59


Текущее время: 14:48. Часовой пояс GMT +2.


Перевод: zCarot
autozvuk.org ©