Всё об автозвуке

Вернуться   Всё об автозвуке > Незвуковые темы > Белый шум
Регистрация Новые сообщения Правила форума Справка Сообщество Календарь Поиск

Важная информация

Белый шум Общение на незвуковые темы

Закрытая тема
 
Опции темы Опции просмотра
Старый 13.01.2013, 22:49   #1
Рост ®
Старейшина
 
Аватар для Рост ®
 
Регистрация: 12.03.2007
Адрес: Львів
Возраст: 54
Сообщений: 2,210
Вы сказали Спасибо: 13
Поблагодарили 307 раз(а) в 99 сообщениях
Репутация: 562
Отправить сообщение для Рост ® с помощью ICQ
По умолчанию Денні ходові вогні - дешево і сердито

Буде воно, чи не буде, але законопроект такий висить. Про те, що вдень доведеться теж їздити зі світлом.
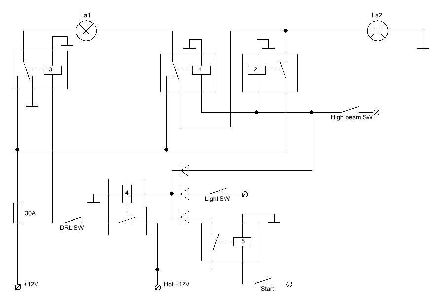
Тому сів я, і на коліні накидав схемку денних ходових вогнів (ДХВ) на основі послідовно з'єднаних ламп дальнього світла.
Чому б не їздити просто на ближньому? По-перше, і так доводиться практично щороку міняти лампочки в фарах, тому що спіралі вигорають, і через рік експлуатації фари світять так, ніби в них стоять банальні жарівки за 20 грн. кілограм. А при використанні світла вдень міняти взагалі доведеться раз в декілька місяців, напевно. По-друге. дальнє світло, яке не обрізається зверху, а світить вперед, значно більше відповідає смислу ДХВ. Тільки штатне дальнє в повну потужність, звичайно, буде сліпити, а от якщо заставити лампи горіти в пів накала, вийде цілком те, що треба - і машину в білий день видно краще, ніж на ближніх, і не сліпитимуть нікого. Така ідея використовується різними виробниками, особливо на американському ринку, уже давно.
Чому не змонтувати додаткові ДХВ, яких зараз продається велика кількість - до вибору, до кольору? Теж бачу дві причини. Перша - не кожен хоче міняти зовнішній вигляд автомобіля. Друга - в тому самому законопроекті. який я по діагоналі прочитав, є наступні слова: їздити доведеться із ввімкненим ближнім світлом, або ДХВ, якщо вони передбачені конструкцією заводської фари. Що автоматично ставить поза законом усі додатково встановлені лямпочки і діодики.
І щоб не доводити потім на кожному кроці, що ти не віслюк, розродився я наступною схемою для свого автомобіля. Але вона підійде і для будь-якого іншого, в якому бортовий комп'ютер не контролює лампочки.
Деякі втручання в проводку автомобіля необхідні.

Для реалізації потрібно 5 реле, 3 силових, ампер на 30-40, два слабострумових. Можна і всі 5 взяти 30-амперних, просто споживання буде на сотню-другу міліампер більше.
Потрібно одне силове з нормально-розімкненими (НР) контактами, два з обома групами, нормально-розімкненими і нормально-замкненими (НЗ). Слабострумові треба одне НЗ, і одне НР. Але можна взяти усі реле з обома групами контактів, це дозволить уніфікувати схему і мати менше запчастин. Уніфікація в автомобілі - це завжди добре.

Схема в приєднаному файлі.

Силові реле 1 і 2 здійснюють ввімкнення ламп дальнього світла в режимі власне дальнього світла. При чому реле 1 відповідає ще і за перекомутацію ламп для послідовного з'єднання. Силове реле 3 відповідає за ввімкнення ДХВ (лампи при послідовному з'єднанні), а також за перекомутацію однієї з ламп на землю для штатнього режиму роботу.
Малострумове реле 4 відповідає за примусове вимкнення ДХВ. Це потрібно для того, щоб залишалась здатність поморгати фарами при ввімкнених ДХВ, а також для вимкнення ДХВ при увімкненні основного світла в темну пору доби, і при заведенні двигуна. За останнє відповідає ще й слабострумове реле 5.

Вимикач high beam SW - це ваш підрульний вимикач дальнього світла, DRL SW - вимикач денного світла, яким ДХВ можна відімкнути повністю. Його треба буде доставити додатково. Light SW - вимикач штатного світла. Ну і ДХВ будуть горіти тільки при ввімкеному запалюванні.

Роз'єм "+12В" під'єднується до постійних +12.
Роз'єм "Гарячі +12В" - до запалювання, роз'єм "Старт" - до кабеля стартера (це все в замку запалювання, очевидно).

Крім основного запобіжника на 30А для силової частини, інші кола можна захистити за смаком. Якщо вони в вашій машині не захищені, або буде перехід калібру кабеля.

Зацікавлених прошу глянути на схему свіжим оком, чи я якого ляпу не допустив. Хоча, вроді, прикинув, що ніде + на землю не має сісти, навіть у випадку відмови частини елементів.

Режими роботи.
Режим все вимкнено. Власне, все вимкнено
Режим ДХВ. DRL SW увімкнено, при ввімкненому запалюванні реле 3 комутує постійні +12 на дві, з'єднані послідовно через НЗ групу контактів реле 1 лампи, які загораються в пів накала.
Режим моргання фарами при увімкнених ДХВ. Замикання High beam SW приводить до комутації реле 1, 2 і 4. 1 відключає послідовне з'єднання ламп і подає на першу лампу +12В, 2 подає +12 на другу лампу, 4 примусово розриває коло управління реле 3, і воно замикає другий контакт першої лампи на землю. Фари світять штатним дальнім.
Режим переключення на штатне світло (габарити, ближнє), та Режим заведення двигуна. В обох режимах теж подається керуюче +12 на реле 4, що примусово розмикає коло управління реле 3 і вимикає ДХВ.
Миниатюры
Нажмите на изображение для увеличения
Название: drl 2108 end.JPG
Просмотров: 1528
Размер:	44.9 Кб
ID:	25149  

Последний раз редактировалось Рост ®; 14.01.2013 в 09:32.
Рост ® вне форума   Вверх
Старый 13.01.2013, 23:04   #2
радио
 
Аватар для радио
 
Регистрация: 29.05.2012
Адрес: Херсон
Возраст: 48
Сообщений: 1,029
Вы сказали Спасибо: 0
Поблагодарили 0 раз(а) в 0 сообщениях
Репутация: 128
По умолчанию Re: Денні ходові вогні - дешево і сердито

радио вне форума   Вверх
Старый 13.01.2013, 23:08   #3
Kondor
 
Аватар для Kondor
 
Регистрация: 16.01.2011
Адрес: Киев, Украина
Сообщений: 425
Вы сказали Спасибо: 33
Поблагодарили 8 раз(а) в 5 сообщениях
Репутация: 114
По умолчанию Re: Денні ходові вогні - дешево і сердито

1. Точно такую реализацию (принцип) встречал на просторах инета.

2. Друга - в тому самому законопроекті. який я по діагоналі прочитав, є наступні слова: їздити доведеться із ввімкненим ближнім світлом, або ДХВ, якщо вони передбачені конструкцією заводської фари. Що автоматично ставить поза законом усі додатково встановлені лямпочки і діодики.

А если у меня оптика раздельная? На ближний и дальний свет. Не как в ланосе, все на одной лампе Н7. Придется доказывать, что ты не осел и нагло парить гайцам, что ехал на ближнем. А в ПДР четко написано в городе дальний низя. И ни слова о процентах накала...
Kondor вне форума   Вверх
Старый 13.01.2013, 23:12   #4
Рост ®
Старейшина
 
Аватар для Рост ®
 
Регистрация: 12.03.2007
Адрес: Львів
Возраст: 54
Сообщений: 2,210
Вы сказали Спасибо: 13
Поблагодарили 307 раз(а) в 99 сообщениях
Репутация: 562
Отправить сообщение для Рост ® с помощью ICQ
По умолчанию Re: Денні ходові вогні - дешево і сердито

Цитата:
Сообщение от Kondor Посмотреть сообщение
А если у меня оптика раздельная? На ближний и дальний свет. Не как в ланосе, все на одной лампе Н7. Придется доказывать, что ты не осел и нагло парить гайцам, что ехал на ближнем. А в ПДР четко написано в городе дальний низя. И ни слова о процентах накала...
Ну що тут скажеш...
Хіба, що навіть в сучасних лексусах бачив саме таку реалізацію (в смислі, на дальніх в пів накала, там теж роздільні фари). Ну і не думаю, що дайці прямо так будуть придивлятися, яка саме фара горить, головне, що горить.

Зрештою, можна зробити на ближніх в пів накала
Рост ® вне форума   Вверх
Старый 13.01.2013, 23:13   #5
alck
 
Аватар для alck
 
Регистрация: 24.12.2009
Адрес: Днепропетровск
Сообщений: 1,062
Вы сказали Спасибо: 17
Поблагодарили 41 раз(а) в 29 сообщениях
Репутация: 188
По умолчанию Re: Денні ходові вогні - дешево і сердито

Цитата:
Сообщение от Kondor Посмотреть сообщение
Не как в ланосе, все на одной лампе Н7
h4




в европе ездят с ближним светом если нет Ходовых огней
alck вне форума   Вверх
Старый 13.01.2013, 23:14   #6
Olddad
ЗЛЮЩИЙ АДМИН
 
Аватар для Olddad
 
Регистрация: 09.03.2007
Адрес: Киев
Возраст: 68
Сообщений: 5,776
Вы сказали Спасибо: 8
Поблагодарили 68 раз(а) в 41 сообщениях
Репутация: Olddad отключил(а) отображение уровня репутации
По умолчанию Re: Денні ходові вогні - дешево і сердито

А если не тормозить, не включать повороты и глушить двигатель с горки, то можно еще больше сэкономить...
Olddad вне форума   Вверх
Старый 13.01.2013, 23:19   #7
Рост ®
Старейшина
 
Аватар для Рост ®
 
Регистрация: 12.03.2007
Адрес: Львів
Возраст: 54
Сообщений: 2,210
Вы сказали Спасибо: 13
Поблагодарили 307 раз(а) в 99 сообщениях
Репутация: 562
Отправить сообщение для Рост ® с помощью ICQ
По умолчанию Re: Денні ходові вогні - дешево і сердито

Цитата
Сообщение от olddad Посмотреть сообщение
А если не тормозить, не включать повороты и глушить двигатель с горки, то можно еще больше сэкономить...
Багатий не той, хто багато заробляє, а той, хто мало тратить

Крім того в мої машині є одна особливість - при ввімкненому перемикачі світла на положення "ближнє", при вимкненні двигуна залишаються горіти габарити. І я їх вдень так часто і забуваю. Що призводить до небажаного розряджання акумулятора. Особливо, якщо машину залишити на цілий день.
Рост ® вне форума   Вверх
Старый 13.01.2013, 23:37   #8
Kondor
 
Аватар для Kondor
 
Регистрация: 16.01.2011
Адрес: Киев, Украина
Сообщений: 425
Вы сказали Спасибо: 33
Поблагодарили 8 раз(а) в 5 сообщениях
Репутация: 114
По умолчанию Re: Денні ходові вогні - дешево і сердито

Цитата:
Сообщение от alck Посмотреть сообщение
h4
в европе ездят с ближним светом если нет Ходовых огней
Извени, ошибся таки в ланосе Н4

У меня на лачетти, дальний без ближнего не горит.
Врядли я буду заморачиваться с дхо или данными девайсами...
Включил ближний и погнал. Тем паче, даже на ксенон сейчас цены более чем гуманные, не говоря уж о галогене.
А дабы габариты с ближним не забывать выключать, проще сделать фишку, как в лаче в базе.
Ключ витянул из замка, дверь открыл - все погасло.
Могут габариты и без ключа гореть. Но нужно принудительно (осознано) выключить и снова включить габариты.
Kondor вне форума   Вверх
Старый 14.01.2013, 04:23   #9
molinero
 
Аватар для molinero
 
Регистрация: 12.11.2009
Адрес: Chernowitz
Возраст: 63
Сообщений: 519
Вы сказали Спасибо: 152
Поблагодарили 21 раз(а) в 17 сообщениях
Репутация: 134
Отправить сообщение для molinero с помощью Skype™
По умолчанию Re: Денні ходові вогні - дешево і сердито

Ідея хороша, але в мене запитання до законно творців. Якщо DRL відомого виробника, мають європейські сертифікати і встановлені згідно трохи же європейських стандартів, то чому вони поза законом? Я собі встановив такі ліхтарики від Philips-а, з кольоровою температурою 4300К, вони світять тільки коли габарити і ближнє світло вимкнені. Кому вони заважають? Але це тільки в при гарній погоді, а коли падає дощ чи хмарно я іжджу із ввімкнутим ближнім світлом. А законодавці як завжди - скопіпастили щось чуже і по дорозі "удосконалили" шляхом додавання фекалій...
molinero вне форума   Вверх
Старый 14.01.2013, 06:26   #10
PSW308
 
Аватар для PSW308
 
Регистрация: 18.11.2012
Адрес: Донецк-Тарасовка
Возраст: 51
Сообщений: 65
Вы сказали Спасибо: 0
Поблагодарили 0 раз(а) в 0 сообщениях
Репутация: 9
По умолчанию Re: Денні ходові вогні - дешево і сердито

На предыдущем авто ( пежо 307) делал такое подключение. Удобно.
PSW308 вне форума   Вверх
Старый 14.01.2013, 08:53   #11
Cobox
Штырлиц
 
Аватар для Cobox
 
Регистрация: 09.04.2007
Адрес: Ирпень
Сообщений: 4,912
Вы сказали Спасибо: 136
Поблагодарили 355 раз(а) в 191 сообщениях
Репутация: 673
По умолчанию Re: Денні ходові вогні - дешево і сердито

Цитата:
Сообщение от Рост ® Посмотреть сообщение
Друга - в тому самому законопроекті. який я по діагоналі прочитав, є наступні слова: їздити доведеться із ввімкненим ближнім світлом, або ДХВ, якщо вони передбачені конструкцією заводської фари. Що автоматично ставить поза законом усі додатково встановлені лямпочки і діодики.
Рост, так ведь и твой дальний в полнакала, согласно этой формулировке тоже автоматически становиться вне закона, как и ДХО, которые не предусмотрены производителем. Какой тогда смысл с этим париться, если в законе четко будет прописано : или ДХО установленое с завода, или ближний свет. Так что все-равно с твоей схемой, если закон будет принят имено в такой трактовке, то доведется тебе:
Цитата:
Сообщение от Рост ® Посмотреть сообщение
доводити потім на кожному кроці, що ти не віслюк

Последний раз редактировалось Cobox; 14.01.2013 в 09:01.
Cobox вне форума   Вверх
Старый 14.01.2013, 09:14   #12
Рост ®
Старейшина
 
Аватар для Рост ®
 
Регистрация: 12.03.2007
Адрес: Львів
Возраст: 54
Сообщений: 2,210
Вы сказали Спасибо: 13
Поблагодарили 307 раз(а) в 99 сообщениях
Репутация: 562
Отправить сообщение для Рост ® с помощью ICQ
По умолчанию Re: Денні ходові вогні - дешево і сердито

Рома, коли ти зміниш свій статус на "готов поспоріть - 2"?

Ти дійсно думаєш, що даєць серед біла дня буде перейматися, світять мої фари дальнім в пів накала, чи ближнім? Особливо на фоні повального бидлоксенону і невідрегульованих ближніх Штатні фари будуть світити і цього достатньо, щоб за зовнішніми ознаками залишатись в рамках закону.

ПС. - І як ви живете при таких поганих законах? - Ми їх погано виконуємо.
ППС. Урочисто присвоюю тобі звання заслуженого троля 80-го левела. Можеш почивати на лаврах.

ПППС. Шановні балакуни, ті, кому дана тема не цікава в силу причин "нафіг треба, я їжджу на ближньому", "у мене штатані дхв", ітдітп. А що ви в цій темі робите? Чат же є!

Добавлено через 8 минут
Цитата:
Сообщение от molinero Посмотреть сообщение
Ідея хороша, але в мене запитання до законно творців. Якщо DRL відомого виробника, мають європейські сертифікати і встановлені згідно трохи же європейських стандартів, то чому вони поза законом?
Якщо поставити себе на місце законотворців, то логіка прослідковується.
Припустимо, дозволили ставити все, що душа забажає. І що заважає Васі з Кацапєтовки поставити два діодики по 5 грн/шт, помітні хіба під мікроскопом, видаючи їх за ДХВ? Дозволити лише сертифіковані? Нічого не заважає надрукувати на всемогутньому пентіумі лівий сертифікат, яким парити мізки дайцям. І так далі.
Не всі ж свідомі громадяни.

Последний раз редактировалось Рост ®; 14.01.2013 в 09:23. Причина: Добавлено сообщение
Рост ® вне форума   Вверх
Старый 14.01.2013, 09:37   #13
Cobox
Штырлиц
 
Аватар для Cobox
 
Регистрация: 09.04.2007
Адрес: Ирпень
Сообщений: 4,912
Вы сказали Спасибо: 136
Поблагодарили 355 раз(а) в 191 сообщениях
Репутация: 673
По умолчанию Re: Денні ходові вогні - дешево і сердито

Цитата:
Сообщение от Рост ® Посмотреть сообщение
ППС. Урочисто присвоюю тобі звання заслуженого троля 80-го левела. Можеш почивати на лаврах.
Награду урочисто прийняв и повiсив на ж... ну тобто, на саме видне мiсце
Cobox вне форума   Вверх
Старый 14.01.2013, 09:40   #14
Рост ®
Старейшина
 
Аватар для Рост ®
 
Регистрация: 12.03.2007
Адрес: Львів
Возраст: 54
Сообщений: 2,210
Вы сказали Спасибо: 13
Поблагодарили 307 раз(а) в 99 сообщениях
Репутация: 562
Отправить сообщение для Рост ® с помощью ICQ
По умолчанию Re: Денні ходові вогні - дешево і сердито

Цитата:
Сообщение от Cobox Посмотреть сообщение
Награду урочисто прийняв и повiсив на ж... ну тобто, на саме видне мiсце
Рост ® вне форума   Вверх
Старый 14.01.2013, 13:27   #15
rbkqr8
Ушел в мир иной от нас...
 
Аватар для rbkqr8
 
Регистрация: 07.04.2012
Адрес: Запорожье
Сообщений: 248
Вы сказали Спасибо: 0
Поблагодарили 0 раз(а) в 0 сообщениях
Репутация: 46
Отправить сообщение для rbkqr8 с помощью Skype™
По умолчанию Re: Денні ходові вогні - дешево і сердито

И сколько они обходятся?
rbkqr8 вне форума   Вверх
Старый 14.01.2013, 16:28   #16
VEV
 
Аватар для VEV
 
Регистрация: 01.02.2009
Адрес: Бровары
Возраст: 44
Сообщений: 492
Вы сказали Спасибо: 10
Поблагодарили 9 раз(а) в 8 сообщениях
Репутация: 77
Отправить сообщение для VEV с помощью ICQ
По умолчанию Re: Денні ходові вогні - дешево і сердито

я ещё летом поставил осрамовский 101 вариант, смотрятся хорошо, светят великолепно.
VEV вне форума   Вверх
Старый 15.01.2013, 13:37   #17
sensor
 
Аватар для sensor
 
Регистрация: 06.05.2009
Адрес: г. Славянск, Донецкая область
Сообщений: 181
Вы сказали Спасибо: 2
Поблагодарили 1 раз в 1 сообщении
Репутация: 3
Отправить сообщение для sensor с помощью ICQ Отправить сообщение для sensor с помощью Skype™
По умолчанию Re: Денні ходові вогні - дешево і сердито

Цитата:
Сообщение от Рост ® Посмотреть сообщение
Буде воно, чи не буде, але законопроект такий висить...
Я делал такую же, только на четырех реле. И для запуска использовал сигнал от генератора на лампу "заряд".
Миниатюры
Нажмите на изображение для увеличения
Название: DRL.GIF
Просмотров: 1315
Размер:	8.7 Кб
ID:	25201  
sensor вне форума   Вверх
Старый 16.01.2013, 09:29   #18
mr.zvuk
 
Аватар для mr.zvuk
 
Регистрация: 19.01.2009
Адрес: Харьков-Донецк
Возраст: 50
Сообщений: 275
Вы сказали Спасибо: 0
Поблагодарили 2 раз(а) в 2 сообщениях
Репутация: 14
По умолчанию Re: Денні ходові вогні - дешево і сердито

Поделюсь своим опытом. Уже около полутора лет пользуюсь специальным таймерком от фирмы "Мегуна"( Мегуна Т7). Из его возможностей:
- включение габаритов и ближнего света с задержкой после заводки двигателя
- свечение габаритов либо на 3/4 накала, либо во весь накал
- свечение ближнего света либо на 1/2 накала либо во весь накал
- плавное разгорание ламп

Не ради рекламы- функционалом устройства доволен на 100 процентов.
П. С. за время эксплуатации не поменял ни одной лампы Н4
mr.zvuk вне форума   Вверх
Старый 16.01.2013, 12:21   #19
sensor
 
Аватар для sensor
 
Регистрация: 06.05.2009
Адрес: г. Славянск, Донецкая область
Сообщений: 181
Вы сказали Спасибо: 2
Поблагодарили 1 раз в 1 сообщении
Репутация: 3
Отправить сообщение для sensor с помощью ICQ Отправить сообщение для sensor с помощью Skype™
По умолчанию Re: Денні ходові вогні - дешево і сердито

Цитата:
Сообщение от mr.zvuk Посмотреть сообщение
Поделюсь своим опытом. Уже около полутора лет пользуюсь специальным таймерком от фирмы "Мегуна"( Мегуна Т7). Из его возможностей:
- включение габаритов и ближнего света с задержкой после заводки двигателя
- свечение габаритов либо на 3/4 накала, либо во весь накал
- свечение ближнего света либо на 1/2 накала либо во весь накал
- плавное разгорание ламп

Не ради рекламы- функционалом устройства доволен на 100 процентов.
П. С. за время эксплуатации не поменял ни одной лампы Н4
В принципе не плохо. Но при последовательном соединении ламп нагрузка все равно меньше,чем
ее делает шим в таймере. И дальний все таки лучше. Это мое мнение
sensor вне форума   Вверх
Старый 16.01.2013, 12:32   #20
molinero
 
Аватар для molinero
 
Регистрация: 12.11.2009
Адрес: Chernowitz
Возраст: 63
Сообщений: 519
Вы сказали Спасибо: 152
Поблагодарили 21 раз(а) в 17 сообщениях
Репутация: 134
Отправить сообщение для molinero с помощью Skype™
По умолчанию Re: Денні ходові вогні - дешево і сердито

Наверное, прибор типа Мегуна и есть решение всех этих вопросов - включил ближний свет днем в пол-надала и едь себе. И бдительным стражам ответ - ближний горит! Только как быть если установлены ксеноновые лампы, можно ли их включать в пол-накала? Что-то мне подсказывает, что нет
molinero вне форума   Вверх
Закрытая тема


Здесь присутствуют: 1 (пользователей: 0 , гостей: 1)
 

Ваши права в разделе
Вы не можете создавать новые темы
Вы не можете отвечать в темах
Вы не можете прикреплять вложения
Вы не можете редактировать свои сообщения

BB коды Вкл.
Смайлы Вкл.
[IMG] код Вкл.
HTML код Выкл.

Быстрый переход

Похожие темы
Тема Автор Раздел Ответов Последнее сообщение
Alpine 9861RI Дешево!!! d.l.s. Автомагнитолы и автомультимедия 0 17.09.2011 22:15
(усилитель) Куплю дешево IPA 800.2 igorvolikov Куплю 7 20.04.2011 09:44
Pioneer DEH-1700R дешево kukaracha72 Автомагнитолы и автомультимедия 0 27.05.2010 09:24
(прочее) Продам ТВ тюнер Alpine (дешево) sadamazda Аксессуары, кроссоверы и прочее... 1 12.05.2010 17:10


Текущее время: 06:03. Часовой пояс GMT +2.


Перевод: zCarot
autozvuk.org ©