Всё об автозвуке

Вернуться   Всё об автозвуке > Домашка
Регистрация Новые сообщения Правила форума Справка Сообщество Календарь Поиск

Важная информация

Домашка Всё о воспроизведении аудио и видео в домашних условиях.

Закрытая тема
 
Опции темы Опции просмотра
Старый 29.04.2014, 22:55   #1
dimos
 
Аватар для dimos
 
Регистрация: 29.04.2009
Адрес: Гомель
Возраст: 49
Сообщений: 169
Вы сказали Спасибо: 2
Поблагодарили 2 раз(а) в 2 сообщениях
Репутация: 23
Отправить сообщение для dimos с помощью ICQ
По умолчанию Моя домашка

Вот и моя домашка!
Усь собирал сам первый раз!
Звук очень порадовал!!!
Миниатюры
Нажмите на изображение для увеличения
Название: IMG_0040.jpg
Просмотров: 1812
Размер:	236.4 Кб
ID:	41690   Нажмите на изображение для увеличения
Название: IMG_0042.jpg
Просмотров: 1766
Размер:	265.0 Кб
ID:	41691  

Нажмите на изображение для увеличения
Название: IMG_0035.jpg
Просмотров: 1832
Размер:	344.5 Кб
ID:	41692  

Последний раз редактировалось dimos; 05.05.2014 в 18:38.
dimos вне форума   Вверх
Старый 04.05.2014, 18:28   #2
John
Старейшина
 
Аватар для John
 
Регистрация: 09.10.2008
Адрес: Kiev
Возраст: 42
Сообщений: 945
Вы сказали Спасибо: 29
Поблагодарили 60 раз(а) в 38 сообщениях
Репутация: 138
По умолчанию Re: Моя домашка

Как бы, нифига не информативно. Ну, то что все склёпано на незаурядных детальках и железе из ламповых телеков это я увидел... выхоные лампы вроде как 6п14п?!
Давайте хоть схему, ахота поглядеть... хотелось бы узнать, что побудило использовать те или иные детали?!
John вне форума   Вверх
Старый 04.05.2014, 22:09   #3
Незнайка на Луне
Старейшина
 
Аватар для Незнайка на Луне
 
Регистрация: 12.12.2008
Адрес: Краматорск
Возраст: 69
Сообщений: 1,017
Вы сказали Спасибо: 49
Поблагодарили 63 раз(а) в 32 сообщениях
Репутация: 182
Отправить сообщение для Незнайка на Луне с помощью Skype™
По умолчанию Re: Моя домашка

Напоминает мои поделки более чем сорокалетней давности.
Незнайка на Луне вне форума   Вверх
Старый 04.05.2014, 22:31   #4
dimos
 
Аватар для dimos
 
Регистрация: 29.04.2009
Адрес: Гомель
Возраст: 49
Сообщений: 169
Вы сказали Спасибо: 2
Поблагодарили 2 раз(а) в 2 сообщениях
Репутация: 23
Отправить сообщение для dimos с помощью ICQ
По умолчанию Re: Моя домашка

Цитата
Сообщение от John Посмотреть сообщение
Как бы, нифига не информативно. Ну, то что все склёпано на незаурядных детальках и железе из ламповых телеков это я увидел... выхоные лампы вроде как 6п14п?!
Давайте хоть схему, ахота поглядеть... хотелось бы узнать, что побудило использовать те или иные детали?!
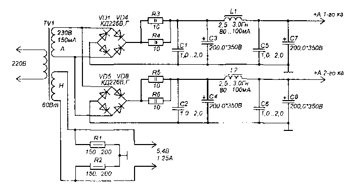
Пожалста!
Миниатюры
Нажмите на изображение для увеличения
Название: sound_scheme-172.png
Просмотров: 1734
Размер:	10.1 Кб
ID:	41759   Нажмите на изображение для увеличения
Название: D6D0033714B15A6F000B9D9701808FDB2115.png
Просмотров: 1660
Размер:	21.0 Кб
ID:	41760  

Изображения
 
dimos вне форума   Вверх
Старый 05.05.2014, 09:43   #5
John
Старейшина
 
Аватар для John
 
Регистрация: 09.10.2008
Адрес: Kiev
Возраст: 42
Сообщений: 945
Вы сказали Спасибо: 29
Поблагодарили 60 раз(а) в 38 сообщениях
Репутация: 138
По умолчанию Re: Моя домашка

Цитата:
Сообщение от dimos Посмотреть сообщение
Пожалста!
Хм, 6н2п в драйвере, очень спорно... Не "микрофонит"? Я б использовал бы или 6н1п, там и ее половинки хватит, или 6н3п.
Да и что у Вас там в межкаскадных конденсаторах, С4? К73? Если да, то я б их в топку и рассматривал что-то, если из советских, то ФТ-3, к40-у9, ну, или на худой конец к78-2, или к42-у2.
John вне форума   Вверх
Старый 05.05.2014, 16:32   #6
dimos
 
Аватар для dimos
 
Регистрация: 29.04.2009
Адрес: Гомель
Возраст: 49
Сообщений: 169
Вы сказали Спасибо: 2
Поблагодарили 2 раз(а) в 2 сообщениях
Репутация: 23
Отправить сообщение для dimos с помощью ICQ
По умолчанию Re: Моя домашка

Этот усилитель собирался как пробный!
Следующий буду собирать на качественный деталях!!!
dimos вне форума   Вверх
Старый 27.05.2014, 23:23   #7
dimos
 
Аватар для dimos
 
Регистрация: 29.04.2009
Адрес: Гомель
Возраст: 49
Сообщений: 169
Вы сказали Спасибо: 2
Поблагодарили 2 раз(а) в 2 сообщениях
Репутация: 23
Отправить сообщение для dimos с помощью ICQ
По умолчанию Re: Моя домашка

SANSUI S-65
Миниатюры
Нажмите на изображение для увеличения
Название: Изображение 010.jpg
Просмотров: 1715
Размер:	129.3 Кб
ID:	42210  
dimos вне форума   Вверх
Старый 28.05.2014, 09:22   #8
Mits
 
Аватар для Mits
 
Регистрация: 20.02.2012
Адрес: Киев рядом
Возраст: 61
Сообщений: 521
Вы сказали Спасибо: 0
Поблагодарили 0 раз(а) в 0 сообщениях
Репутация: 111
По умолчанию Re: Моя домашка

dimos,
корпуса не дорабатывали? Где то на форумах было- что обязательно надо
Mits вне форума   Вверх
Старый 28.05.2014, 22:46   #9
dimos
 
Аватар для dimos
 
Регистрация: 29.04.2009
Адрес: Гомель
Возраст: 49
Сообщений: 169
Вы сказали Спасибо: 2
Поблагодарили 2 раз(а) в 2 сообщениях
Репутация: 23
Отправить сообщение для dimos с помощью ICQ
По умолчанию Re: Моя домашка

Цитата:
Сообщение от Mits Посмотреть сообщение
dimos,
корпуса не дорабатывали? Где то на форумах было- что обязательно надо
Эта аккустика нетронута (крывывыми либо ровными)руками!
Такая и останется!!!
dimos вне форума   Вверх
Старый 29.12.2015, 15:14   #10
L.7.N
Под колпаком ЦРУ
 
Аватар для L.7.N
 
Регистрация: 26.12.2015
Адрес: Петрозаводск
Сообщений: 6
Вы сказали Спасибо: 0
Поблагодарили 0 раз(а) в 0 сообщениях
Репутация: 0
По умолчанию Re: Моя домашка

Цитата:
Сообщение от dimos Посмотреть сообщение
SANSUI S-65
Напишите про акустику подробнее, пожалуйста (интересует все).
L.7.N вне форума   Вверх
Старый 29.12.2015, 15:41   #11
Andr
Старейшина
 
Аватар для Andr
 
Регистрация: 03.10.2010
Адрес: Киев
Возраст: 44
Сообщений: 1,453
Вы сказали Спасибо: 0
Поблагодарили 0 раз(а) в 0 сообщениях
Репутация: 437
По умолчанию Re: Моя домашка

Цитата
Сообщение от L.7.N Посмотреть сообщение
Напишите про акустику подробнее, пожалуйста (интересует все).
Автор поста трагически погиб недавно... Не напишет.

Последний раз редактировалось Andr; 29.12.2015 в 15:43.
Andr вне форума   Вверх
Старый 29.12.2015, 15:47   #12
L.7.N
Под колпаком ЦРУ
 
Аватар для L.7.N
 
Регистрация: 26.12.2015
Адрес: Петрозаводск
Сообщений: 6
Вы сказали Спасибо: 0
Поблагодарили 0 раз(а) в 0 сообщениях
Репутация: 0
По умолчанию Re: Моя домашка

Цитата:
Сообщение от Andr Посмотреть сообщение
Автор поста трагически погиб недавно... Не напишет.
Пусть земля ему будет пухом...
L.7.N вне форума   Вверх
Закрытая тема


Здесь присутствуют: 1 (пользователей: 0 , гостей: 1)
 

Ваши права в разделе
Вы не можете создавать новые темы
Вы не можете отвечать в темах
Вы не можете прикреплять вложения
Вы не можете редактировать свои сообщения

BB коды Вкл.
Смайлы Вкл.
[IMG] код Вкл.
HTML код Выкл.

Быстрый переход

Похожие темы
Тема Автор Раздел Ответов Последнее сообщение
(акустика) Куплю Sven 830B (домашка) Mits Куплю 7 08.01.2014 11:59
Universum Q3000 mk2 Колоночки домашка Andron.E Аудио-Домашка 13 28.12.2012 13:14
Бюджетна домашка Володимир Белый шум 43 07.12.2009 15:57
Домашка своими силами antiradar Белый шум 5 18.12.2008 12:05


Текущее время: 13:32. Часовой пояс GMT +2.


Перевод: zCarot
autozvuk.org ©