Всё об автозвуке

Вернуться   Всё об автозвуке > Незвуковые темы > Белый шум > Бытовая техника
Регистрация Новые сообщения Правила форума Справка Сообщество Календарь Поиск

Важная информация

Бытовая техника Обсуждаем, делимся опытом эксплуатации бытовой техники, фотоаппаратуры, компьютеров и т.д., и т.п.

Ответ
 
Опции темы Опции просмотра
Старый 23.02.2013, 16:24   #1
d2max
Старейшина
 
Аватар для d2max
 
Регистрация: 25.08.2009
Адрес: Одесса
Возраст: 53
Сообщений: 679
Вы сказали Спасибо: 0
Поблагодарили 0 раз(а) в 0 сообщениях
Репутация: 201
По умолчанию Помогите победить фон в ламповом усилителе

здравствуйте, форумчане!
обращаюсь к вам за помощью.
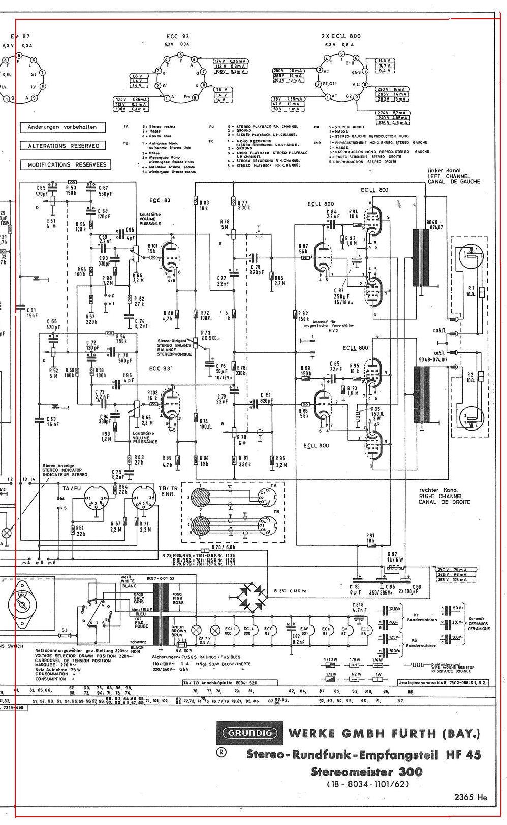
вдвоем с товарищем восстанавливаем усилительную часть лампового усилителя Grundig Stereomaster 300, выполненного на одной лампе 12AX7 и двух лампах ECLL800. фактически у нас в руках на момент восстановления была половина платы с 2-мя выходными трансформаторами, регуляторами темброблока, баланса и громкости.
сейчас все недостающие компоненты приобретены и установлены, усилитель работает и звучит очень даже прилично.
Но не удается устранить фон, фон наводится в темброблоке, в районе регулятора громкости, при РГ в минимум фон отсутствует.
если есть мысли по решению этой проблемы или типовые решения, прошу поделиться.
Миниатюры
Нажмите на изображение для увеличения
Название: ST300.jpg
Просмотров: 2702
Размер:	303.3 Кб
ID:	26126   Нажмите на изображение для увеличения
Название: Фото-0061.jpg
Просмотров: 2516
Размер:	354.0 Кб
ID:	26127  

Нажмите на изображение для увеличения
Название: Фото-0062.jpg
Просмотров: 2428
Размер:	302.9 Кб
ID:	26128  
d2max вне форума   Ответить с цитированием Вверх
Старый 23.02.2013, 18:02   #2
радио
 
Аватар для радио
 
Регистрация: 29.05.2012
Адрес: Херсон
Возраст: 48
Сообщений: 1,029
Вы сказали Спасибо: 0
Поблагодарили 0 раз(а) в 0 сообщениях
Репутация: 128
По умолчанию Re: Помогите победить фон в ламповом усилителе

здесь про фон с точностью наоборот, похоже перем резистор пора заменить громкости.

Скрытый текст

ой, навесные сопротивления на правом резюке...это похоже чужеродное тело

Последний раз редактировалось радио; 23.02.2013 в 20:16.
радио вне форума   Ответить с цитированием Вверх
Старый 25.02.2013, 11:22   #3
Александр093
 
Аватар для Александр093
 
Регистрация: 13.06.2008
Адрес: Краматорск-Днепропетровск
Возраст: 38
Сообщений: 1,440
Вы сказали Спасибо: 88
Поблагодарили 23 раз(а) в 22 сообщениях
Репутация: 55
Отправить сообщение для Александр093 с помощью ICQ
По умолчанию Re: Помогите победить фон в ламповом усилителе

А если вход на корпус и рег. громкости на максимум,фон есть?
Александр093 вне форума   Ответить с цитированием Вверх
Старый 25.02.2013, 14:40   #4
d2max
Старейшина
 
Аватар для d2max
 
Регистрация: 25.08.2009
Адрес: Одесса
Возраст: 53
Сообщений: 679
Вы сказали Спасибо: 0
Поблагодарили 0 раз(а) в 0 сообщениях
Репутация: 201
По умолчанию Re: Помогите победить фон в ламповом усилителе

Цитата:
Сообщение от Александр093 Посмотреть сообщение
А если вход на корпус и рег. громкости на максимум,фон есть?
если вход на корпус и рег. громкости на максимум, то фон остается, но становится очень тихий.
d2max вне форума   Ответить с цитированием Вверх
Старый 25.02.2013, 15:49   #5
Александр093
 
Аватар для Александр093
 
Регистрация: 13.06.2008
Адрес: Краматорск-Днепропетровск
Возраст: 38
Сообщений: 1,440
Вы сказали Спасибо: 88
Поблагодарили 23 раз(а) в 22 сообщениях
Репутация: 55
Отправить сообщение для Александр093 с помощью ICQ
По умолчанию Re: Помогите победить фон в ламповом усилителе

Блок питания другой?
Попробуйте накальные провода свить и сделать искусственную среднюю точку. При закороченном входе и рег. громкости на максимум фона быть не должно.
Да и емкости в анодном слабоваты, хотя бы мкф по 470.

Последний раз редактировалось Александр093; 25.02.2013 в 16:07.
Александр093 вне форума   Ответить с цитированием Вверх
Старый 25.02.2013, 21:36   #6
d2max
Старейшина
 
Аватар для d2max
 
Регистрация: 25.08.2009
Адрес: Одесса
Возраст: 53
Сообщений: 679
Вы сказали Спасибо: 0
Поблагодарили 0 раз(а) в 0 сообщениях
Репутация: 201
По умолчанию Re: Помогите победить фон в ламповом усилителе

Цитата:
Сообщение от Александр093 Посмотреть сообщение
Блок питания другой?
Попробуйте накальные провода свить и сделать искусственную среднюю точку. При закороченном входе и рег. громкости на максимум фона быть не должно.
Да и емкости в анодном слабоваты, хотя бы мкф по 470.
трансформатор питания не родной.
накальные провода свил, но результата нет.
искусственную среднюю точку - как сделать, не знаю. пожалуйста, объясни подробно.
емкости стоят 2 х 200 мкф и одна 20 мкф, 385 В
d2max вне форума   Ответить с цитированием Вверх
Старый 25.02.2013, 21:57   #7
Александр093
 
Аватар для Александр093
 
Регистрация: 13.06.2008
Адрес: Краматорск-Днепропетровск
Возраст: 38
Сообщений: 1,440
Вы сказали Спасибо: 88
Поблагодарили 23 раз(а) в 22 сообщениях
Репутация: 55
Отправить сообщение для Александр093 с помощью ICQ
По умолчанию Re: Помогите победить фон в ламповом усилителе

Вот так. И емкости придётся заменить.
Изображения
 
Александр093 вне форума   Ответить с цитированием Вверх
Старый 26.02.2013, 10:10   #8
d2max
Старейшина
 
Аватар для d2max
 
Регистрация: 25.08.2009
Адрес: Одесса
Возраст: 53
Сообщений: 679
Вы сказали Спасибо: 0
Поблагодарили 0 раз(а) в 0 сообщениях
Репутация: 201
По умолчанию Re: Помогите победить фон в ламповом усилителе

Цитата:
Сообщение от Александр093 Посмотреть сообщение
Вот так. И емкости придётся заменить.
///

Последний раз редактировалось d2max; 26.02.2013 в 14:08.
d2max вне форума   Ответить с цитированием Вверх
Старый 26.02.2013, 18:10   #9
радио
 
Аватар для радио
 
Регистрация: 29.05.2012
Адрес: Херсон
Возраст: 48
Сообщений: 1,029
Вы сказали Спасибо: 0
Поблагодарили 0 раз(а) в 0 сообщениях
Репутация: 128
По умолчанию Re: Помогите победить фон в ламповом усилителе

полярные русские кондеры в первую очередь нада менять 80-90х годов на импортные и обычно они портачат по питанию, а вот переменный резистор не рассматривали?. Такой найти проблема в одессе? там 3+3ноги в два ряда? на сколько номинал?
радио вне форума   Ответить с цитированием Вверх
Старый 26.02.2013, 22:44   #10
d2max
Старейшина
 
Аватар для d2max
 
Регистрация: 25.08.2009
Адрес: Одесса
Возраст: 53
Сообщений: 679
Вы сказали Спасибо: 0
Поблагодарили 0 раз(а) в 0 сообщениях
Репутация: 201
По умолчанию Re: Помогите победить фон в ламповом усилителе

Цитата:
Сообщение от радио Посмотреть сообщение
полярные русские кондеры в первую очередь нада менять 80-90х годов на импортные и обычно они портачат по питанию, а вот переменный резистор не рассматривали?. Такой найти проблема в одессе? там 3+3ноги в два ряда? на сколько номинал?
полярных там не так уж много, советских всего 2. я их все пробовал менять на другие, в том числе и неполярные. результат не менялся.
касаемо переменника: на минимум - фона нет, при увеличении громкости фон нарастает, потом есть положение (где-то посредине громкости), в котором фон резко затихает, но не пропадает, на максимум- фон заихает, но не пропадает.

при подключении средней точки выходной каскад перестает работать, т.к на нем пропадает накальное.

думаю, может поменять все неполярные конденсаторы на новые, заодно и переменник подыскать
d2max вне форума   Ответить с цитированием Вверх
Старый 26.02.2013, 23:05   #11
радио
 
Аватар для радио
 
Регистрация: 29.05.2012
Адрес: Херсон
Возраст: 48
Сообщений: 1,029
Вы сказали Спасибо: 0
Поблагодарили 0 раз(а) в 0 сообщениях
Репутация: 128
По умолчанию Re: Помогите победить фон в ламповом усилителе

та давайте начнем уже с заменой переменника. Как вариант импортный плюс искуственное удлинение ручки. Ибо покупать такой же б.у это лотерея.
радио вне форума   Ответить с цитированием Вверх
Старый 27.02.2013, 07:11   #12
d2max
Старейшина
 
Аватар для d2max
 
Регистрация: 25.08.2009
Адрес: Одесса
Возраст: 53
Сообщений: 679
Вы сказали Спасибо: 0
Поблагодарили 0 раз(а) в 0 сообщениях
Репутация: 201
По умолчанию Re: Помогите победить фон в ламповом усилителе

Цитата:
Сообщение от радио Посмотреть сообщение
та давайте начнем уже с заменой переменника. Как вариант импортный плюс искуственное удлинение ручки. Ибо покупать такой же б.у это лотерея.
надо узнать, есть ли такой новый, потому что у меня громкоть и баланс совмещены в одном регуляторе
d2max вне форума   Ответить с цитированием Вверх
Старый 27.02.2013, 18:07   #13
радио
 
Аватар для радио
 
Регистрация: 29.05.2012
Адрес: Херсон
Возраст: 48
Сообщений: 1,029
Вы сказали Спасибо: 0
Поблагодарили 0 раз(а) в 0 сообщениях
Репутация: 128
По умолчанию Re: Помогите победить фон в ламповом усилителе

Цитата:
Сообщение от d2max Посмотреть сообщение
надо узнать, есть ли такой новый, потому что у меня громкоть и баланс совмещены в одном регуляторе
регулятор по схеме 2х10 ом ??

Последний раз редактировалось радио; 27.02.2013 в 19:32.
радио вне форума   Ответить с цитированием Вверх
Старый 25.10.2013, 15:37   #14
audiofan2013
 
Аватар для audiofan2013
 
Регистрация: 29.07.2013
Адрес: Крым
Возраст: 39
Сообщений: 76
Вы сказали Спасибо: 0
Поблагодарили 0 раз(а) в 0 сообщениях
Репутация: 12
По умолчанию Re: Помогите победить фон в ламповом усилителе

Может быть на регуляторе "резистивная" поверхность со временем запылилась, или имеет неровности, лучше заменить регуляторы сразу.
Плюс к тому не родной транс может давать помехи.
Попробуй отдалить транс от темброблока.

Последний раз редактировалось audiofan2013; 25.10.2013 в 16:02.
audiofan2013 вне форума   Ответить с цитированием Вверх
Старый 30.10.2013, 11:34   #15
d2max
Старейшина
 
Аватар для d2max
 
Регистрация: 25.08.2009
Адрес: Одесса
Возраст: 53
Сообщений: 679
Вы сказали Спасибо: 0
Поблагодарили 0 раз(а) в 0 сообщениях
Репутация: 201
По умолчанию Re: Помогите победить фон в ламповом усилителе

транс удалял, не помогает.
буду мыть всю плату тщательно и дальше разбираться
d2max вне форума   Ответить с цитированием Вверх
Старый 30.10.2013, 17:15   #16
dok
 
Аватар для dok
 
Регистрация: 19.05.2009
Адрес: Рубежное
Сообщений: 188
Вы сказали Спасибо: 30
Поблагодарили 33 раз(а) в 16 сообщениях
Репутация: 68
По умолчанию Re: Помогите победить фон в ламповом усилителе

А с осциллографом по плате "пройтись"?Постоянное напряжение на накал попробуйте.
dok вне форума   Ответить с цитированием Вверх
Старый 30.10.2013, 20:25   #17
audiofan2013
 
Аватар для audiofan2013
 
Регистрация: 29.07.2013
Адрес: Крым
Возраст: 39
Сообщений: 76
Вы сказали Спасибо: 0
Поблагодарили 0 раз(а) в 0 сообщениях
Репутация: 12
По умолчанию Re: Помогите победить фон в ламповом усилителе

Конденсаторы на блоке питания еще советские
Их бы тоже под замену
audiofan2013 вне форума   Ответить с цитированием Вверх
Старый 30.10.2013, 20:37   #18
радио
 
Аватар для радио
 
Регистрация: 29.05.2012
Адрес: Херсон
Возраст: 48
Сообщений: 1,029
Вы сказали Спасибо: 0
Поблагодарили 0 раз(а) в 0 сообщениях
Репутация: 128
По умолчанию Re: Помогите победить фон в ламповом усилителе

Цитата:
Сообщение от audiofan2013 Посмотреть сообщение
Может быть на регуляторе "резистивная" поверхность со временем запылилась, или имеет неровности, лучше заменить регуляторы сразу.
обычно он стирается изнутри, проблема только в регуляторе, я уверен . Но такой найти- проблема (длинный 6 ног 10R)

Добавлено через 17 минут
Цитата:
Сообщение от d2max Посмотреть сообщение
полярных там не так уж много, советских всего 2. я их все пробовал менять на другие, в том числе и неполярные. результат не менялся.
касаемо переменника: на минимум - фона нет, при увеличении громкости фон нарастает, потом есть положение (где-то посредине громкости), в котором фон резко затихает, но не пропадает, на максимум- фон заихает, но не пропадает.

при подключении средней точки выходной каскад перестает работать, т.к на нем пропадает накальное.

думаю, может поменять все неполярные конденсаторы на новые, заодно и переменник подыскать
неполярные кондеры не менять! они не высыхают, вечные

Последний раз редактировалось радио; 30.10.2013 в 20:55. Причина: Добавлено сообщение
радио вне форума   Ответить с цитированием Вверх
Старый 30.10.2013, 21:15   #19
d2max
Старейшина
 
Аватар для d2max
 
Регистрация: 25.08.2009
Адрес: Одесса
Возраст: 53
Сообщений: 679
Вы сказали Спасибо: 0
Поблагодарили 0 раз(а) в 0 сообщениях
Репутация: 201
По умолчанию Re: Помогите победить фон в ламповом усилителе

досадно, но никак не могу взяться за восстановление усилителя.
рекомендации, что и как делать, в полном объеме мне расписал Борис К, за что ему огромное спасибо!
d2max вне форума   Ответить с цитированием Вверх
Ответ


Здесь присутствуют: 1 (пользователей: 0 , гостей: 1)
 

Ваши права в разделе
Вы не можете создавать новые темы
Вы не можете отвечать в темах
Вы не можете прикреплять вложения
Вы не можете редактировать свои сообщения

BB коды Вкл.
Смайлы Вкл.
[IMG] код Вкл.
HTML код Выкл.

Быстрый переход

Похожие темы
Тема Автор Раздел Ответов Последнее сообщение
Помогите победить быдло ! inst Белый шум 23 09.07.2013 19:46
При включении выгорают преды на усилителе VoK Бюджетный автозвук и песочница. 7 10.05.2012 10:02
Свист в усилителе siogabiker1 Бюджетный автозвук и песочница. 6 08.03.2012 13:12
Как победить focal PolyGlass BLAGO Практика по SQ 17 03.07.2011 02:13
ПОМОГИТЕ Роман Бюджетный автозвук и песочница. 0 12.02.2010 17:15


Текущее время: 22:14. Часовой пояс GMT +2.


Перевод: zCarot
autozvuk.org ©