Всё об автозвуке

Вернуться   Всё об автозвуке > Новичкам > Бюджетный автозвук и песочница.
Регистрация Новые сообщения Правила форума Справка Сообщество Календарь Поиск

Важная информация

Бюджетный автозвук и песочница. Раздел для новичков и тех, кто хочет пострроить простенькую аудиосистему с минимальными затратами.

Ответ
 
Опции темы Опции просмотра
Старый 19.04.2020, 01:05   #1
Ost1n
 
Аватар для Ost1n
 
Регистрация: 16.09.2019
Адрес: Киев
Возраст: 40
Сообщений: 31
Вы сказали Спасибо: 0
Поблагодарили 0 раз(а) в 0 сообщениях
Репутация: 2
По умолчанию Вопрос по организации питания

Христос Воскрес.
Машина passat b6 универсал. На борту имеется штатное гу подключенное к процессорному усилителю audison forza f8.9. Сейчас форза рулит трешкой и сабом, дается это ей тяжело. Запитан процеусь кабелем 4ga hollywood pro, + от аккума, - с кузова.
Хочу добавить моноблок jl audio 500/v1 (уже имеется). И облегчить участь процеуся, что бы рулил трешкой, мидбасы пущу мостами, саб лежит Focal perfomance 25DB (250вт, две катушки по 4 Ом).
Собственно вопрос: как лучше запитать два устройства?
Планировал купить кабель КГНВ. Вопрос какого сечения взять? В идеале использовать дистрибюторы, что бы не дублировать плюсовые провода от аккума. В этот раз хочу и + и - протянуть от аккума. Хватит ли на это все сечения 35мм2?

Сорри за сумбур!

ПыСы: нужно ли дублировать массу от аккума если штатная сопля 35мм2?

Последний раз редактировалось Ost1n; 19.04.2020 в 11:29.
Ost1n вне форума   Ответить с цитированием Вверх
Старый 19.04.2020, 16:44   #2
Kamaz_DUDE
 
Аватар для Kamaz_DUDE
 
Регистрация: 15.07.2011
Адрес: Рокитне
Сообщений: 33
Вы сказали Спасибо: 0
Поблагодарили 0 раз(а) в 0 сообщениях
Репутация: 8
По умолчанию Re: Вопрос по организации питания

Плюс і мінус від акума не бачу сенсу протягувати. Кузов - найліпший провідник мінуса.
Kamaz_DUDE вне форума   Ответить с цитированием Вверх
Старый 20.04.2020, 18:24   #3
Ost1n
 
Аватар для Ost1n
 
Регистрация: 16.09.2019
Адрес: Киев
Возраст: 40
Сообщений: 31
Вы сказали Спасибо: 0
Поблагодарили 0 раз(а) в 0 сообщениях
Репутация: 2
По умолчанию Re: Вопрос по организации питания

Цитата:
Сообщение от Kamaz_DUDE Посмотреть сообщение
Плюс і мінус від акума не бачу сенсу протягувати. Кузов - найліпший провідник мінуса.
А что скажете на счет сечения на + ?
Ost1n вне форума   Ответить с цитированием Вверх
Старый 25.04.2020, 14:58   #4
romzas
 
Аватар для romzas
 
Регистрация: 08.02.2011
Адрес: Киев
Возраст: 44
Сообщений: 751
Вы сказали Спасибо: 8
Поблагодарили 1 раз в 1 сообщении
Репутация: 221
Отправить сообщение для romzas с помощью ICQ
По умолчанию Re: Вопрос по организации питания

Цитата
Сообщение от Ost1n Посмотреть сообщение
А что скажете на счет сечения на + ?
На вашу систему 35кв хватит с большим запасом.
Цитата
Сообщение от Ost1n Посмотреть сообщение
ПыСы: нужно ли дублировать массу от аккума если штатная сопля 35мм2?
Ой ли там такая "СОПЛЯ" квадратов 12-16 скорее всего, продублировать 35-кой однозначно стоит
romzas вне форума   Ответить с цитированием Вверх
Старый 26.04.2020, 23:02   #5
Ost1n
 
Аватар для Ost1n
 
Регистрация: 16.09.2019
Адрес: Киев
Возраст: 40
Сообщений: 31
Вы сказали Спасибо: 0
Поблагодарили 0 раз(а) в 0 сообщениях
Репутация: 2
По умолчанию Re: Вопрос по организации питания

Цитата:
Сообщение от romzas Посмотреть сообщение
На вашу систему 35кв хватит с большим запасом.
Спасибо, а то я сомневался, говорили что мало и нужно 50.
Цитата:
Сообщение от romzas Посмотреть сообщение
Ой ли там такая "СОПЛЯ" квадратов 12-16 скорее всего, продублировать 35-кой однозначно стоит
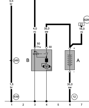
Перепроверил штатные схемы. Все таки "Сопля" 35 квадратов. В таком случае все равно дублировать?
Изображения
 
Ost1n вне форума   Ответить с цитированием Вверх
Старый 27.04.2020, 00:32   #6
romzas
 
Аватар для romzas
 
Регистрация: 08.02.2011
Адрес: Киев
Возраст: 44
Сообщений: 751
Вы сказали Спасибо: 8
Поблагодарили 1 раз в 1 сообщении
Репутация: 221
Отправить сообщение для romzas с помощью ICQ
По умолчанию Re: Вопрос по организации питания

Цитата
Сообщение от Ost1n Посмотреть сообщение
Спасибо, а то я сомневался, говорили что мало и нужно 50.

Перепроверил штатные схемы. Все таки "Сопля" 35 квадратов. В таком случае все равно дублировать?
Себе я бы продублировал) там делов то на 5 мин, думаю, что когда производитель закладывал в сток 35кв, вряд ли заботился про вашу аудиосистему...
romzas вне форума   Ответить с цитированием Вверх
Старый 27.04.2020, 10:04   #7
Ost1n
 
Аватар для Ost1n
 
Регистрация: 16.09.2019
Адрес: Киев
Возраст: 40
Сообщений: 31
Вы сказали Спасибо: 0
Поблагодарили 0 раз(а) в 0 сообщениях
Репутация: 2
По умолчанию Re: Вопрос по организации питания

Цитата:
Сообщение от romzas Посмотреть сообщение
Себе я бы продублировал) там делов то на 5 мин, думаю, что когда производитель закладывал в сток 35кв, вряд ли заботился про вашу аудиосистему...
Действительно, задача то не сложная. Просто клему теперь соответствующую найти нужно. Читал тут пару вариантов самодельных, но нет места для того что бы мастерить. Может быть есть отличный вариант магазинный?
Ost1n вне форума   Ответить с цитированием Вверх
Старый 27.04.2020, 11:45   #8
romzas
 
Аватар для romzas
 
Регистрация: 08.02.2011
Адрес: Киев
Возраст: 44
Сообщений: 751
Вы сказали Спасибо: 8
Поблагодарили 1 раз в 1 сообщении
Репутация: 221
Отправить сообщение для romzas с помощью ICQ
По умолчанию Re: Вопрос по организации питания

Цитата
Сообщение от Ost1n Посмотреть сообщение
Действительно, задача то не сложная. Просто клему теперь соответствующую найти нужно. Читал тут пару вариантов самодельных, но нет места для того что бы мастерить. Может быть есть отличный вариант магазинный?
Раньше этого добра на радиорынках было валом, где сейчас взять...может кто из киевских ребят подскажут
romzas вне форума   Ответить с цитированием Вверх
Ответ

Метки
питание автозвук


Здесь присутствуют: 1 (пользователей: 0 , гостей: 1)
 

Ваши права в разделе
Вы не можете создавать новые темы
Вы не можете отвечать в темах
Вы не можете прикреплять вложения
Вы не можете редактировать свои сообщения

BB коды Вкл.
Смайлы Вкл.
[IMG] код Вкл.
HTML код Выкл.

Быстрый переход

Похожие темы
Тема Автор Раздел Ответов Последнее сообщение
(клеммы, разветвители, коннекторы) дистрибьютор питания 1 x Ø 8mm, 2 x Ø 5mm yupiter3 Аксессуары, кроссоверы и прочее... 1 29.09.2015 20:23
(клеммы, разветвители, коннекторы) Дистрибьютор питания audiofan2013 Аксессуары, кроссоверы и прочее... 2 25.09.2013 12:45
(клеммы, разветвители, коннекторы) Дистрибьютор питания iatseniuk Куплю 6 05.09.2013 16:45
дистрибьютор питания Shylight Куплю 4 24.03.2010 16:46
Вопросы по организации питания kostya740 Бюджетный автозвук и песочница. 7 30.01.2010 01:01


Текущее время: 17:53. Часовой пояс GMT +2.


Перевод: zCarot
autozvuk.org ©