Всё об автозвуке

Вернуться   Всё об автозвуке > Новичкам > Бюджетный автозвук и песочница.
Регистрация Новые сообщения Правила форума Справка Сообщество Календарь Поиск

Важная информация

Бюджетный автозвук и песочница. Раздел для новичков и тех, кто хочет пострроить простенькую аудиосистему с минимальными затратами.

Ответ
 
Опции темы Опции просмотра
Старый 20.07.2011, 08:33   #1
RUSLAN
 
Аватар для RUSLAN
 
Регистрация: 24.08.2010
Адрес: Izmail
Возраст: 46
Сообщений: 199
Вы сказали Спасибо: 68
Поблагодарили 6 раз(а) в 6 сообщениях
Репутация: 11
Отправить сообщение для RUSLAN с помощью ICQ
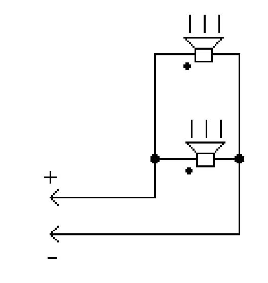
По умолчанию как подключить mtx 9512-44 в 2 ом?

подскажите я правильно подключил для 2 ом, два плюса к клеме плюсовой и два минуса к минусовой клеме?
RUSLAN вне форума   Ответить с цитированием Вверх
Старый 20.07.2011, 10:15   #2
MCPC
 
Аватар для MCPC
 
Регистрация: 27.02.2010
Адрес: Мелитополь
Сообщений: 142
Вы сказали Спасибо: 10
Поблагодарили 14 раз(а) в 12 сообщениях
Репутация: 54
По умолчанию Re: как подключить mtx 9512-44 в 2 ом?

Да правельно , при паралельном подключении двух катушек по четыре ома , получается два ома .
Миниатюры
Нажмите на изображение для увеличения
Название: 02.jpg
Просмотров: 1267
Размер:	7.0 Кб
ID:	9544  
MCPC вне форума   Ответить с цитированием Вверх
Ответ


Здесь присутствуют: 1 (пользователей: 0 , гостей: 1)
 

Ваши права в разделе
Вы не можете создавать новые темы
Вы не можете отвечать в темах
Вы не можете прикреплять вложения
Вы не можете редактировать свои сообщения

BB коды Вкл.
Смайлы Вкл.
[IMG] код Вкл.
HTML код Выкл.

Быстрый переход

Похожие темы
Тема Автор Раздел Ответов Последнее сообщение
(12") MTX 9512-44 dmonastyrev Сабвуферы 4 24.01.2014 08:36
(12") mtx 9512-44 Endy Сабвуферы 1 19.03.2013 11:34
(12") MTX 9512-04 nofeer Сабвуферы 0 26.05.2012 07:50
потянет ли мой усь MTX 9512-44 ? RUSLAN Бюджетный автозвук и песочница. 12 20.07.2011 16:25
(12") MTX 9512-44 Плазма Сабвуферы 12 05.02.2011 16:01


Текущее время: 06:40. Часовой пояс GMT +2.


Перевод: zCarot
autozvuk.org ©