Исследование практического активного всепропускающего фильтра.
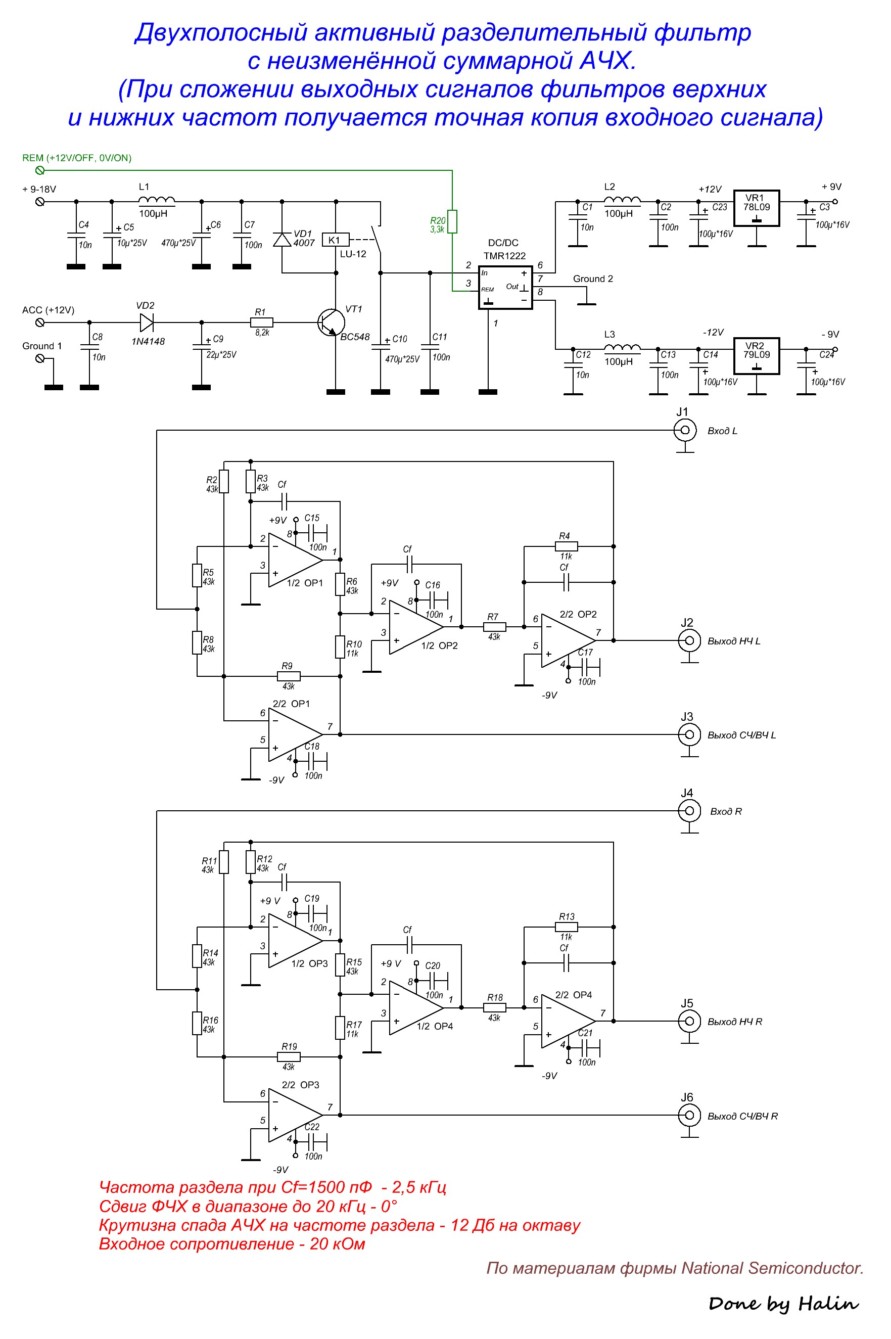
Для примера исследую попавший ко мне от Халина разделительный активный двухполосный фильтр. Этот фильтр сделан по всепропускающей схеме второго порядка:
Особенность данной схемы в том, что сигналы на выходе фильтра взаимодополняющие к входному сигналу. Если проще – как сигналы последовательного пассивного фильтра. То есть сумма выходных сигналов равна входному. Проверю.
Спектралабом снимаю АЧЗ фильтра НЧ:

Видно, что фильтр инвертирует входной сигнал и фазу крутит, на частоте раздела (2530Гц) примерно -60 градусов. Наклон АЧХ примерно 10 дб на октаву, что близко к второму порядку фильтра.
Посмотрю на фильтр ВЧ:

Этот фильтр также инвертирующий и крутит фазу на выходе +60 градусов на частоте раздела.
Суммирую выходные сигналы на простом резисторном сумматоре:

Ага, тут всё стало на свои места. Фильтры хоть и крутят фазу, но в противоположные стороны. Так что в сумме получается идеальная прямая (проинвертированная до -180 градусов). Посмотрю на частоту раздела поближе:

Здесь видно, что для достижения идеальной суммы сигналов при разности фаз +-60 градусов на выходе, на частоте раздела амплитуда сигналов почти равна входному сигналу. Если бы это были синфазные сигналы, то в сумме был бы горб +6дБ. А чуть в стороне от частоты раздела выходные сигналы даже превышают входные.