Вот понадобилась схема развязки провода Remote в автомобиль, которая позволяет подключить несколько усилителей, маломощную индикацию или подсветку, небольшие вентиляторы. И чтобы этот блок следил за напряжением аккумулятора, на давая разрядиться, да ещё и можно было выключать всё по отдельности.
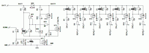
Придумал схему:

Параметры следующие:
Напряжение включения - 12,3 В
Напряжение выключения - 11,5 В (регулируется подстроечником)
Входное сопротивление провода Remote - 3,3 кОм
Количество выходов - 5
Ток нагрузки по каждому из выходов - 0,2 А
Задержка включения - 10 сек.
Схема подключается тремя проводами:
- Масса (GND)
- Аккумулятор (BATT)
- вход Remote (на схеме REMIN)
Между общим выходом ONCMN и входами ON1...ON5 ставим выключатели потребителей.
Выходы REM1...REM5 подключаются к нагрузкам
Позже подключил светодиод индикации (на схеме не показан) между плюсом и выходом ONCMN.
Плата собрана в корпусе размерами 55*65*15мм