Всё об автозвуке

Всё об автозвуке (http://autozvuk.org/forum2/index.php)
-   Белый шум (http://autozvuk.org/forum2/forumdisplay.php?f=20)
-   -   USB-реле (http://autozvuk.org/forum2/showthread.php?t=26249)

Славикус 20.11.2013 08:35

USB-реле
 
Комрады!
Есть острая необходимость повесить на USB-порт телевизора электромагнитное реле 5В/10А250В, дабы отключать питание т.н. мультимедийных АС.
Вопрос в следующем, что повесить на управляющие ноги (между +5В и -5В) дабы не спалить юсб-порт? Одни говорят - резистор, другие - кондер, третьи - и то и другое, а некоторые тупо вешают диод. :notknow:
Подскажите, кто в курсе, желательно с номиналами:beer:



- Друг, дай закурить. А в ответ - тишина... :poke:

радио 20.11.2013 21:33

Re: USB-реле
 
У меня на 220В так:
Посоветую врезать в шнур колонок закрытый механический размыкатель за 5 грн (лучше на красный провод), как раньше на лампу делали.
Подожди, а какой смысл от реле на 5 Вольт? Выключил ТВ и обесточились колонки.

Halin 20.11.2013 21:51

Re: USB-реле
 
Цитата:

Сообщение от Славикус (Сообщение 278532)
Комрады!

....Подскажите, кто в курсе, желательно с номиналами:beer:



- Друг, дай закурить. А в ответ - тишина... :poke:

Будут параметры реле (хотя-бы точное его название) - будут номиналы.
А так......
Диод нужен обязательно (параллельно обмотке реле).
Остальное для пятивольтового реле не обязательно... надеюсь реле малогабаритное? Сколько по даташиту рабочий ток реле?

_RT 20.11.2013 22:00

Re: USB-реле
 
Цитата:

Сообщение от Halin (Сообщение 278665)
Будут параметры реле (хотя-бы точное его название) - будут номиналы.
А так......
Диод нужен обязательно (параллельно обмотке реле).
Остальное для пятивольтового реле не обязательно... надеюсь реле малогабаритное? Сколько по даташиту рабочий ток реле?

100% Правильно:+1:
Я так зрозумів задачу
Виключаєш ТВ - автоматично пропадає живлення з USB порта - відключається АС
Червоний провід з USB на котушку реле
Чорний провід з USB на котушку
між чоним і червоним Діод правильною стороною! якщо треба обмежити струм через котушку треба додатковий резистор... номінал залежить від марки реле...

Славикус 22.11.2013 06:51

Re: USB-реле
 
Нашел в ближайшей лавке: 801H-1C-C
www.songchuan.ru/files/801.pdf

Halin 22.11.2013 08:39

Re: USB-реле
 
Цитата:

Сообщение от Славикус (Сообщение 278844)
Нашел в ближайшей лавке: 801H-1C-C
www.songchuan.ru/files/801.pdf

Нормально. Пойдет.
73 мА - это на уровне потребления флешки.
Диод любой до 1 ампера, минусом к плюсу (красному проводу).
Разъем USB или покупаешь отдельно, или обрезаешь с ненужного шнурка.

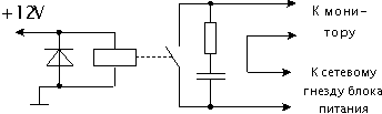
Выглядеть должно примерно так:

https://encrypted-tbn2.gstatic.com/i...vhLwz3e7dv-U9F

Славикус 22.11.2013 08:43

Re: USB-реле
 
Большое человеческое Спасибо!

радио 22.11.2013 21:29

Re: USB-реле
 
Цитата:

Сообщение от Славикус (Сообщение 278844)
Нашел в ближайшей лавке: 801H-1C-C
www.songchuan.ru/files/801.pdf

этот с катушкой 30в, у меня есть 5в 7А

радио 17.12.2013 18:33

Re: USB-реле
 
Юсб реле нашел?:lol:

Славикус 18.12.2013 18:35

Re: USB-реле
 
Вложений: 1
Цитата:

Сообщение от радио (Сообщение 281659)
Юсб реле нашел?:lol:

:mail1:


Текущее время: 13:33. Часовой пояс GMT +2.

Перевод: zCarot
autozvuk.org ©